开岸R 2023-09-22 19:25 采纳率: 0%
浏览 100
已结题

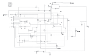
如何用下图方法在AMESim中搭建离心泵模型

真诚向各位请教,如何在AMESim中搭建离心泵模型!!

下图是齿轮泵的模型搭建,请问能不能用类似的方法把离心泵的模型搭建出来,真心请教,可有偿,万分感谢,万分感谢!

img

  • 写回答

11条回答 默认 最新

  • cyjbj 2023-09-22 20:54
    关注
    获得0.75元问题酬金

    AMESim就是个工具,具体搭建还是以你的图是否正确为准

    评论

报告相同问题?

问题事件

  • 系统已结题 9月30日
  • 创建了问题 9月22日