最近在用simulink做视觉伺服仿真,发现这个1/S模块在视觉伺服仿真中的作用和我想的不太一样。
在我单独测试这个1/S时,我的采样时间是0.04s,初始值是(0;0;0;0;0;0),从图中可以看到我的输出值是输入值乘以0.04

图1
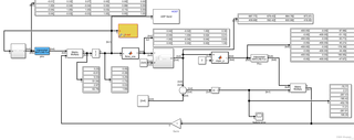
在视觉伺服仿真中,我run前进一步如图左所示,再前进一步如图右所示,因为这个[0.21; -7.41;7.41;-0.53;0;-0.53]是由[0;0;0;0;0;0]循坏得到的,当[0.21; -7.41;7.41;-0.53;0;-0.53]从积分器1/s通过时不应该是[0.0084;-0.2964;0.2964;-0.0212;0;-0.0212]吗,但是出现的结果却是[0.05;-0.28;0.25;-1.73;0.03;1.69],图4是我的视觉伺服流程框图,希望有做过该仿真的老哥帮助一下,卡了很久一直没想明白,十分感谢!

图2

图3

图4