电力电子应用答疑!!
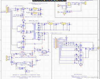
该电路是由TL431与PC817配合使用进行稳压。光耦后信号与KA7500的参考电压通过LM324进行比较后送入KA7500的4脚控制死区,进而控制开关管的占空比达到稳压。目前问题是该反馈电路不起作用,没有达到稳压要求。并且测得TL431稳压为1.8V,没有达到参考的2.5V,请各位看看TL431与PC817电路设计或是LM324比较器电路是否有问题



电力电子应用答疑!!
该电路是由TL431与PC817配合使用进行稳压。光耦后信号与KA7500的参考电压通过LM324进行比较后送入KA7500的4脚控制死区,进而控制开关管的占空比达到稳压。目前问题是该反馈电路不起作用,没有达到稳压要求。并且测得TL431稳压为1.8V,没有达到参考的2.5V,请各位看看TL431与PC817电路设计或是LM324比较器电路是否有问题



关注参考AI提供:
您描述的电路中,TL431和PC817是用于稳压反馈的关键组件。首先,TL431是一种精密稳压源,而PC817则是一种光电耦合器件。在开关电源设计中,这两者经常配合使用来进行稳压反馈电路的设计。
如果您发现TL431的稳压输出为1.8V,并没有达到预期的2.5V,这可能意味着TL431没有正常工作或者其周围的电路有问题。以下是一些建议和可能的问题点: