
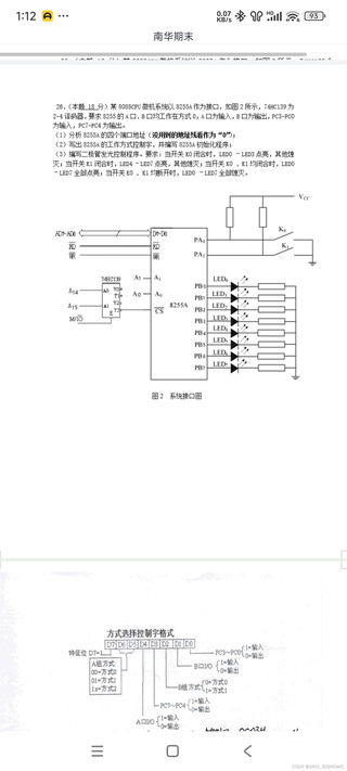
微机原理8255A与74H139译码器连接,如何求解其端口地址
关注让阿豪来帮你解答,本回答参考chatgpt3.5编写提供,如果还有疑问可以评论或留言问题分析: 根据现有的信息,我们知道微机原理中的8255A和74H139译码器被连接在一起,我们需要求解8255A的端口地址。因为8255A是一种I/O端口芯片,它需要通过特定的端口地址来进行读写操作。因此,我们需要先确定8255A的端口地址,才能对它进行操作。 解决方案: 为了确定8255A的端口地址,我们需要考虑两个因素:8255A芯片的选择地址和其内部寄存器的选择。具体步骤如下: 第一步:确定8255A芯片的选择地址 8255A芯片有三个选择地址线(CS1、CS2、CS3),它的选择地址由这三个线的状态来决定。根据题目给出的信息,8255A与74H139译码器连接。因此,我们可以猜测8255A的选择地址可能是通过74H139译码器的输出来进行选择的。 根据74H139译码器的特性,我们可以知道当输入为“00”时,输出Y0为低电平,其余输出均为高电平;当输入为“01”时,输出Y1为低电平,其余输出均为高电平;当输入为“10”时,输出Y2为低电平,其余输出均为高电平;当输入为“11”时,输出Y3为低电平,其余输出均为高电平。 因此,我们可以在实际电路中通过设置74H139译码器的输入引脚,来选择8255A的选择地址。例如,当74H139译码器的输入为“00”时,对应的输出Y0为低电平,可以选择8255A芯片的选择地址为111000B(即CS1、CS2、CS3都为高电平)。 第二步:确定8255A内部寄存器的选择 在确定8255A的选择地址后,我们还需要确定要对8255A内部哪个寄存器进行操作。8255A有三个寄存器:控制寄存器、端口A寄存器和端口B寄存器。这三个寄存器在8255A芯片中的地址分别为A0H、A1H和A2H。 因此,我们需要根据实际情况来确定要对哪个寄存器进行操作,并加上对应的偏移地址。 例如,如果我们要对控制寄存器进行操作,且8255A的选择地址为111000B(即CS1、CS2、CS3都为高电平),则控制寄存器的端口地址为111000B + A0H = 1110A0H。 下面是一个示例代码,它使用8255A的控制寄存器来配置其端口A和端口B为输入端口。在本例中,8255A的选择地址为111000B,因此控制寄存器的端口地址为1110A0H。
MOV DX, 1110A0H ; 将端口地址保存到DX寄存器中
MOV AL, 10010000B ; 将控制寄存器的配置信息保存到AL寄存器中(001:端口A设置为输入端口;010:端口B设置为输入端口)
OUT DX, AL ; 将配置信息输出到控制寄存器中
总结: 在连接8255A和74H139译码器的电路中,我们可以通过设置74H139译码器的输入引脚来选择8255A的选择地址。然后,根据需要对8255A内部的寄存器进行操作,计算出相应的端口地址,并将所需的信息写入相应的寄存器中即可。