基于单片机的远程电量抄表装置下位机,hlw8032的4567接口该接哪?

关注引自免费微信小程序:皆我百晓生
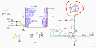
根据你提供的图1和HLW8032模块的信息,我们可以分析出以下连接方案。HLW8032是一款无线通信模块,通常用于LoRa或Zigbee等无线通信应用,而STC12C5A60S2是单片机,负责控制数据处理和与HLW8032通信。以下是详细的接线建议:
U5(可能是指电源接口): 连接到STC12C5A60S2的VCC引脚,为单片机提供电源。
HIW8032: 这个标识可能是印刷错误,应该是HLW8032。将其连接到单片机的P1.0(也可能标记为CLKOUT2/ADCO),作为模块的时钟输入(CLKIN)。
STC12C5A60S2: 将P1.1(可能标记为ACD1)连接到HLW8032的TXD(发送数据)。
lvcc: 如果lvcc是指低电压电源,确保它连接到单片机的VCC引脚,提供稳定的电源。
NODULD (可能是误拼):确认这个引脚是否需要连接,如果不需要,可以跳过。
CLKOUT2/ADCO/P1.0: 已经在步骤2中连接了。
RXD: 将单片机的RXD(接收数据)连接到HLW8032的RXD。
ACD1/P1.1: 已经在步骤3中连接了。
VCC: 重复提及,确保单片机的VCC和HLW8032的VCC都连接到稳定的电源。
RXD2/ECUADCZ/PP123: 如果这些是单片机的其他I/O引脚,根据具体功能决定是否需要连接,例如如果它们是复用的,可能需要连接到HLW8032的相应引脚。
OUT N: 这个引脚可能是模块的输出,查看模块文档确定其用途,如果不需要,可以跳过。
55/CPADCDC4/P1.4: 同样,如果这是单片机的其他I/O,根据功能连接。
VCC: 可能是重复,但确保所有VCC引脚都正确连接。
CTL: 根据模块文档,可能是一个控制信号,连接到HLW8032的相应控制引脚。
RXD: 重复提及,确认是否连接正确。
SP3485: 如果这是一个串口转接器,将其RX和TX分别连接到HLW8032的RXD和TXD。
电源插座: 连接到外部电源。
55: 确认这个引脚的用途,可能与之前提到的类似。
TXD: 确保单片机的TXD连接到HLW8032的TXD。
3.3V: 单片机可能需要3.3V供电,确保连接正确。
GND: 所有地线(GND)都应连接在一起,形成良好的接地网络。
R15, R16, R18: 这些电阻可能是为了调整信号电平或电源管理,根据设计图纸连接。
ROR: 可能是一个错误标签,确认其含义并连接。
RXD: 再次确认是否正确连接。
SP3485: 如果是另一个设备,根据其接口连接。
803: 可能是编号,确认是否需要连接。
GND: 最后再次确认GND连接。
请务必查阅HLW8032的官方数据手册以获取精确的引脚定义和功能,因为上述连接可能因模块版本和具体应用有所不同。如果需要,可以画一个简单的接线图来辅助理解,但请确保实际操作时遵循制造商的指导。