
已有电路图 求以此为原型的仿真图(报告的要求是:(可以用Altium Designer等软件绘制的原理图粘贴到下面,也可复制其他资料上的图片,但要清晰、大小适中。元件标号、参数及图上名称等信息要清楚)

以下内容由CHATGPT及笑面虎共同生成、有用望采纳:
【您想要解决的问题】: 您想要解决的问题是根据您提供的RDA5807收音机套件的电路图,创建一个仿真图。您需要这个仿真图用于报告,要求仿真图清晰、大小适中,并且元件标号、参数及图上名称等信息要清楚可见。您可能需要使用如Altium Designer这样的软件来绘制原理图。
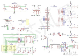
【图片内容】: 您上传的图片是RDA5807收音机套件的电路图,包含了电路板上各个电子元件的布局和连接方式。图中有各种电子元件如电阻、电容、晶体管、集成电路等,以及它们的标号和一些参数值。
【问题出现原因】: 问题出现的原因是您需要将现有的电路图转换成仿真图,这通常是为了验证电路设计的正确性、进行性能分析或者教学展示。由于仿真图需要在电子设计自动化(EDA)软件中创建,这可能需要一定的电子工程知识和软件操作技能。
【问题解决方案】: 最优解决方案是使用专业的EDA软件,如Altium Designer,来创建仿真图。以下是创建仿真图的基本步骤:
【提供代码】: 由于您的问题涉及到的是电路图的绘制,而不是编程,所以没有代码可以提供。电路图的绘制是一个图形化的过程,需要通过EDA软件的图形界面来完成。
【代码运行方式】: 不适用。
【代码预期运行结果】: 不适用。
【推荐相关链接】: