

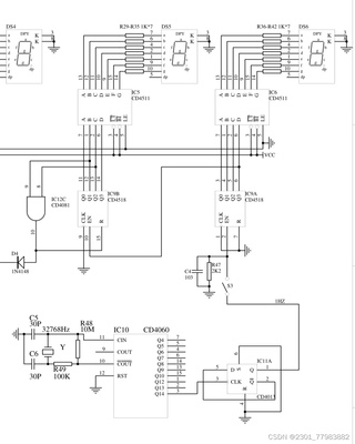
最右边的数码管CD4511,CD4518,R47和C4,S3,CD4013,CD4060,晶振电路构成的一列在面包板上接线只能显示0—3,无法显示0—9并且没有办法晶振,是怎么回事?(只接了圈出来的那一块,前面的没有接)


最右边的数码管CD4511,CD4518,R47和C4,S3,CD4013,CD4060,晶振电路构成的一列在面包板上接线只能显示0—3,无法显示0—9并且没有办法晶振,是怎么回事?(只接了圈出来的那一块,前面的没有接)
以下内容由CHATGPT及阿里嘎多学长共同生成、有用望采纳:
从您提供的两幅电路图来看,您正在尝试使用一些基本的数字逻辑集成电路来构建一个能够显示数字的电路。以下是对您问题的一些分析和可能的解决方案:
数码管显示问题:CD4511是一个BCD到7段显示译码器,它将二进制数转换为7段LED或LCD显示器上的数字。CD4518是另一个BCD到7段显示译码器,但具有锁存功能。如果只能显示0到3,可能是因为输入到CD4511的二进制数只有0000、0001、0010、0011这四种状态。这可能是由于输入信号的逻辑问题或连接错误。
晶振不工作:晶振电路通常需要与微控制器的时钟输入相连接。在您提供的电路图中,晶振 "32768Hz" 应该与微控制器的时钟输入端相连。如果晶振不工作,可能是因为:
电路连接检查:检查所有连接是否正确,特别是地线和电源线。确保没有接触不良或焊接错误。
代码实现:由于您提供的电路图没有包含微控制器或其他信号源,因此无法提供具体的代码实现。通常,您需要编写代码来生成正确的时序信号,驱动CD4511和CD4518显示正确的数字。
参考资料:
由于我无法直接访问外部链接,我建议您搜索相关的数据手册和教程,例如在CSDN、EEWeb、All About Circuits等电子工程论坛和网站上。
如果您需要进一步的帮助,例如对特定集成电路的工作原理进行解释,或者需要对电路图进行更详细的分析,请提供更多的信息或者具体的电路图。