共8只彩灯,设计一电路,使彩灯实现七暗一灭的功能
我们劳斯提示我们用两片74ls194芯片可以完成这个设计要求
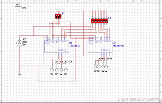
我现在连成这个样子,我剩下两个芯片的SR和SL怎么连?或者我现在连的电路还有什么要改的?

共8只彩灯,设计一电路,使彩灯实现七暗一灭的功能
我们劳斯提示我们用两片74ls194芯片可以完成这个设计要求
我现在连成这个样子,我剩下两个芯片的SR和SL怎么连?或者我现在连的电路还有什么要改的?

关注引自免费微信小程序:皆我百晓生
针对你提出的彩灯循环电路设计问题,确实可以利用两片74LS194移位寄存器来实现。为了确保电路能正确地控制8只彩灯,使其呈现出七暗一亮的效果,我们需要确保每一片74LS194芯片在接收到脉冲信号时,能够依次将数据右移或左移,并且在最后一位移出后,能够重新开始循环。
首先,澄清一下图1中的描述似乎不够清晰,但从上下文判断,你可能是在描述电源连接(Vcc为5V)以及芯片的引脚连接情况。对于74LS194芯片,其主要控制引脚包括:SRL(右移串行输入)、SL(左移串行输入)、SH/LD(移位/置数控制)、CLK(时钟输入)、MR(主复位)等。
下面是一种可能的电路连接方式:
电源与接地:确保每个芯片的Vcc引脚连接到+5V电源,GND引脚连接到地。
芯片间的连接:
时钟与控制信号:
数据输入与输出:
彩灯连接:
示意图如下(使用ASCII艺术表示):
+-----------------+ +-----------------+
| 74LS194 (1) | | 74LS194 (2) |
| | | |
| Vcc ----> | | Vcc ----> |
| | | |
| CLK <------ | | CLK <------ |
| | | |
| SH/LD <----- | | SH/LD <----- |
| | | |
| MR <-------- | | MR <-------- |
| | | |
| QD --------> | | SRL <------- |
| | | |
| Q3 --LED---> | | Q3 --LED---> |
| Q2 --LED---> | | Q2 --LED---> |
| Q1 --LED---> | | Q1 --LED---> |
| Q0 --LED---> | | Q0 --LED---> |
| | | |
| SRL <------- | | QD --------> |
| | | |
+-----------------+ +-----------------+
| GND <---- | GND <----
以上方案应该能够满足你提出的设计要求,即通过两片74LS194芯片实现8只彩灯的循环亮灭效果。如果你有具体的电路图或进一步的问题,欢迎继续提问。