计算机组成原理
问题




我的答案
感觉不知道是哪里有问题,不知道是哪里错误了,但是一直改都是错的

结果

哪里错误了
计算机组成原理
问题




我的答案
感觉不知道是哪里有问题,不知道是哪里错误了,但是一直改都是错的


关注引自免费微信小程序:皆我百晓生
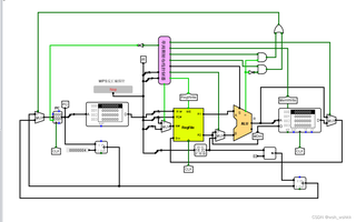
从你提供的信息来看,你正在尝试使用Logisim软件设计一个单周期的MIPS CPU,支持8种基本的MIPS指令,并遇到了一些挑战。要解决这个问题,我们可以分步骤检查和优化你的设计。以下是一个可能的解决方案流程:
首先,确保你对MIPS指令集有清晰的理解。MIPS ISA定义了指令如何编码以及它们的功能。例如,add和addi指令的区别在于后者涉及立即数。
根据你提供的图1,你的CPU数据通路应该包括以下组件:
确保每个组件正确连接,特别是控制信号(如MemtoReg, RegWrite, Branch, ALUOP, PCSrc等)。
控制逻辑是CPU的核心,它决定了数据通路的行为。你需要设计一个控制单元,基于当前指令的不同位字段来决定如何配置数据通路。这通常涉及到一个大表或状态机,根据指令的不同部分选择适当的控制信号。
使用Logisim的仿真功能来测试你的设计。你应该编写一些简单的测试程序来验证每一条指令是否正确执行。例如,对于add指令,你可以设置两个寄存器的值,然后执行add指令,检查结果是否符合预期。
你提到的错误可能是由于控制信号配置不当或数据通路连接错误引起的。检查你的控制信号是否正确地反映了指令的需求,以及所有组件是否按照设计意图正确连接。
一旦你的CPU可以正确执行指令,你可以开始优化性能。这可能涉及到减少不必要的延迟路径,优化ALU的设计,或者改进控制逻辑以减少复杂性。
最后,使用MARS(MIPS Assembler and Runtime Simulator)来验证你的CPU的指令执行统计是否与MARS的一致。这将帮助你确认你的CPU设计是否准确无误。
下面是一个简化的控制单元设计示例,使用Verilog伪代码表示:
module control_unit(instruction, ALUOp, RegDst, MemtoReg, RegWrite, MemWrite, Branch, PCSrc);
input [31:0] instruction;
output ALUOp, RegDst, MemtoReg, RegWrite, MemWrite, Branch, PCSrc;
always @(*) begin
casez(instruction[5:0])
6'b000000: begin // R-type instructions
ALUOp = instruction[15] ? "10" : "00"; // Add or subtract
RegWrite = 1;
MemtoReg = 0;
MemWrite = 0;
Branch = 0;
PCSrc = 0;
end
6'b100011: begin // lw
ALUOp = "00";
RegWrite = 1;
MemtoReg = 1;
MemWrite = 0;
Branch = 0;
PCSrc = 0;
end
// ... other cases for different instructions
default: begin
ALUOp = "00";
RegWrite = 0;
MemtoReg = 0;
MemWrite = 0;
Branch = 0;
PCSrc = 0;
end
endcase
end
endmodule
请注意,上述代码仅作为一个示例,可能需要根据你的具体需求进行调整。
通过遵循这些步骤,你应该能够诊断并修复你的MIPS CPU设计中的问题。如果你遇到具体的编程或设计难题,可以提供更详细的错误信息或代码片段,以便获得更具体的帮助。