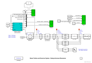
simulink仿真单机无穷大系统中发生三相短路故障,电磁功率Pe变化为什么不符合功角特性曲线:
从功角曲线上看,短路故障时,电磁功率应该瞬间减小,但仿真中却是先增大而后振荡,求指导


simulink仿真单机无穷大系统中发生三相短路故障,电磁功率Pe变化为什么不符合功角特性曲线:
从功角曲线上看,短路故障时,电磁功率应该瞬间减小,但仿真中却是先增大而后振荡,求指导


以下回复参考:皆我百晓生、券券喵儿等免费微信小程序作答:
对于simulink仿真中单机无穷大系统在发生三相短路故障时,电磁功率Pe变化不符合功角特性曲线的情况,可以从以下几个方面进行分析:
针对您提供的图1和图2中的信息,建议您检查仿真模型中的参数设置,确保它们与实际系统相匹配。同时,仔细分析仿真结果,理解其中的物理过程。如果可能的话,可以尝试使用更高级的动态仿真工具或方法,以获得更准确的仿真结果。此外,还可以参考实际系统的运行数据和文献,以更好地理解功角特性和电磁功率的变化情况。