复奚夷 2025-02-11 17:09 采纳率: 66.7%
浏览 16
已结题

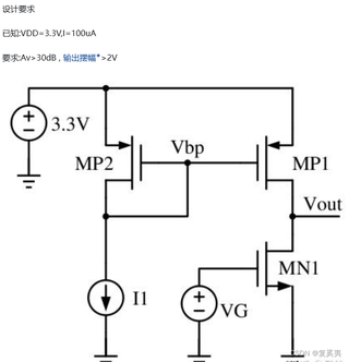
单级放大器输出摆幅为什么看静态工作点?

单级共源级放大器输出摆幅为什么是看静态工作点,而非输出的最大最小之差?
如下图,是网上看到的

img


img

  • 写回答

5条回答 默认 最新

  • EEGiang 2025-02-12 07:46
    关注

    合理的静态工作点,一般都是在VCC/2,可以让放大器工作在线性放大区间,实现无失真输出最大摆幅。

    本回答被题主选为最佳回答 , 对您是否有帮助呢?
    评论
查看更多回答(4条)

报告相同问题?

问题事件

  • 系统已结题 2月21日
  • 已采纳回答 2月13日
  • 创建了问题 2月11日