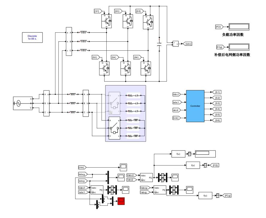
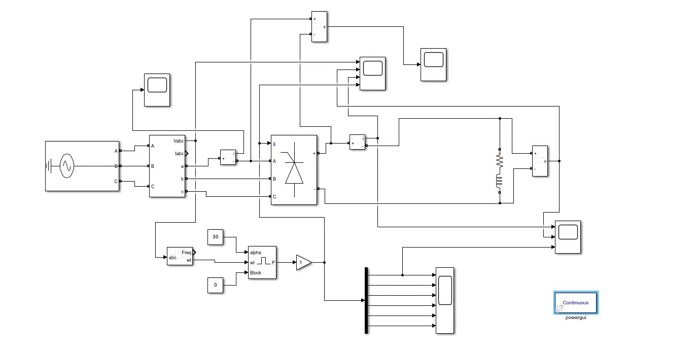
哪位好兄弟知道怎么在matlab中把这个svg的负载换成后面那个三相桥整流电路(相当于谐波源)然后用svg把谐波滤掉


哪位好兄弟知道怎么在matlab中把这个svg的负载换成后面那个三相桥整流电路(相当于谐波源)然后用svg把谐波滤掉


关注让【道友老李】来帮你解答,本回答参考gpt编写,并整理提供,如果还有疑问可以点击头像关注私信或评论。
如果答案让您满意,请采纳、关注,非常感谢!在MATLAB中可以使用Simulink来建立模型来实现你所描述的功能。以下是一个简单的实现代码范例:
% 创建一个新的Simulink模型
model = 'harmonic_filter';
open_system(new_system(model));
% 添加输入信号
add_block('built-in/Sine Wave', [model,'/Input Signal']);
% 添加三相桥整流电路
add_block('powerlib/Elements/Three-Phase Rectifier', [model,'/Three-Phase Rectifier']);
% 添加SVG用于滤波
add_block('powerlib/Elements/Single-Phase Voltage Controlled Device', [model,'/SVG']);
% 连接信号
add_line(model, 'Input Signal/1', 'Three-Phase Rectifier/1');
add_line(model, 'Three-Phase Rectifier/1', 'SVG/1');
% 打开Simulink模型
open_system(model);
% 运行模型
sim(model);
在这个示例中,我们创建了一个名为harmonic_filter的Simulink模型,并向其添加了一个正弦波输入信号、一个三相桥整流电路和一个SVG滤波器。然后我们将这些组件连接起来并运行模型。 请根据实际情况对代码进行修改以满足你的具体需求。