AD9910输出波形不完整,波形发生畸变,且波形幅度过小,如图

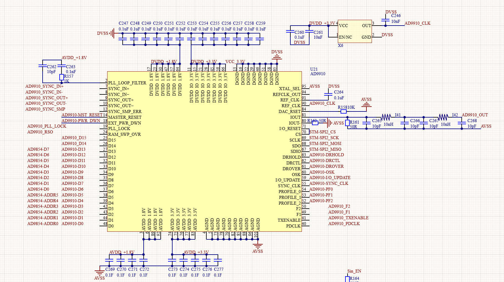
原理图

关注让【宝码香车】来帮你解答,本回答参考DeepSeek编写,并整理提供。
如果还有疑问可以点击头像关注私信或评论。如果答案让您满意,请采纳、点赞、关注,非常感谢!
根据您描述的问题(AD9910输出波形不完整、畸变且幅度过小),以及提供的原理图图片(虽然无法直接查看),我可以提供以下可能的原因和解决方案:
时钟信号问题
电源问题
寄存器配置问题
输出电路问题
// 示例代码:检查时钟配置
#define REF_CLK_FREQ 100000000 // 假设参考时钟为100MHz
#define SYSTEM_CLK_FREQ 1000000000 // 系统时钟1GHz
void check_clock_config() {
// 确保PLL倍频设置正确
if (SYSTEM_CLK_FREQ != REF_CLK_FREQ * PLL_MULTIPLIER) {
// 重新配置PLL
}
}
// 示例:配置AD9910基本参数
void configure_AD9910() {
// 设置CFR1寄存器
write_register(CFR1, 0x00000000); // 默认设置
// 设置CFR2寄存器
write_register(CFR2, 0x00000000); // 默认设置
// 设置频率调谐字(FTW)
uint32_t ftw = calculate_ftw(desired_frequency);
write_register(FTW, ftw);
// 设置幅度控制
write_register(ASF, 0x3FFFFFFF); // 最大幅度
}
| 现象 | 可能原因 | 解决方法 |
|---|---|---|
| 波形截断 | 输出幅度过大 | 降低ASF寄存器值 |
| 波形畸变 | 时钟抖动 | 改善时钟源质量 |
| 幅度过小 | 输出负载不匹配 | 检查负载阻抗 |
| 频率不正确 | FTW计算错误 | 重新计算FTW |
如果您能提供更具体的配置参数或示波器波形截图,我可以给出更有针对性的建议。