
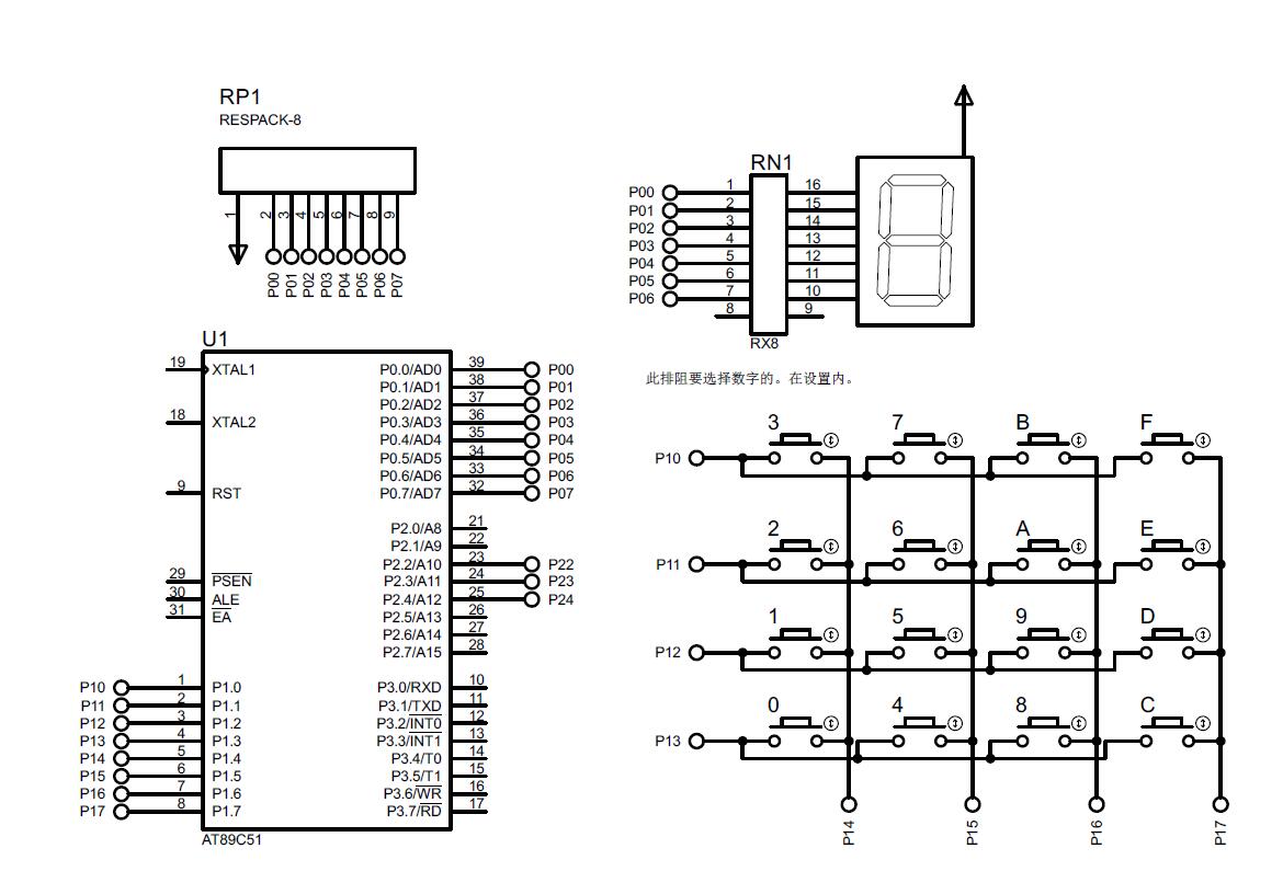
图中proteus元件都是什么啊,怎么连这个电路图啊,求解。谢谢大家了
阿里嘎多学长整理AIGC生成,因移动端显示问题导致当前答案未能完全显示,请使用PC端查看更加详细的解答过程
Proteus是一款电子设计自动化(EDA)软件,用于设计、仿真和测试电子电路。Proteus元件是指在Proteus软件中使用的虚拟元件,它们模拟了真实的电子元件的行为,可以在电路图中使用。
在Proteus中,元件可以分为两种:逻辑元件和物理元件。逻辑元件是指逻辑门、逻辑器件等,它们用于实现电路的逻辑功能。物理元件是指真实的电子元件,如晶体管、电阻、电容等,它们用于实现电路的物理功能。
要连接Proteus元件,需要在Proteus软件中创建一个新的项目,然后在项目中添加元件。可以通过拖拽元件到电路图中,或者通过使用Proteus的元件库来添加元件。
以下是一个简单的示例,演示如何在Proteus中连接元件:
通过这些步骤,你可以在Proteus中连接元件,实现电路的设计和仿真。