
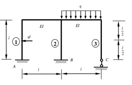
怎么样用matlab,求解超静定结构,绘制最终弯矩图。①:1EI ②:11EI ③:1EI
晚上好🌙🌙🌙
本答案参考通义千问
要使用 MATLAB 求解超静定结构并绘制最终弯矩图,可以按照以下步骤进行:
超静定结构的求解通常需要结合力法或位移法。这里假设你已经知道如何建立结构的平衡方程和变形协调条件,并且已经确定了未知力(如多余约束反力)。你的问题中给出了三个 EI 值(1EI、11EI、1EI),可能表示不同段的刚度。
以下是基于 MATLAB 的通用代码框架,用于求解超静定结构并绘制弯矩图。
% MATLAB 超静定结构求解与弯矩图绘制
% 参数定义
L = [4, 6, 8]; % 各段长度
EI = [1, 11, 1]; % 各段刚度 (1EI, 11EI, 1EI)
q = -5; % 分布荷载强度 (-5 kN/m)
P = 10; % 集中荷载大小 (10 kN)
% 总长度
L_total = sum(L);
% 初始假设多余约束反力 (例如中间支座反力)
R = [0, 0]; % 假设中间支座反力为 0
% 计算各段弯矩
M = zeros(1, length(L)); % 初始化弯矩数组
for i = 1:length(L)
% 计算弯矩 (假设分布荷载和集中荷载作用下的弯矩)
M(i) = q * L(i)^2 / 8 + P * L(i) / 4 + R(i) * L(i); % 示例公式
end
% 绘制弯矩图
figure;
x = [0, cumsum(L)]; % 横坐标
plot(x, [0, cumsum(M)], '-o');
xlabel('位置 (m)');
ylabel('弯矩 (kNm)');
title('超静定结构弯矩图');
grid on;
% 显示结果
disp('弯矩图已绘制完成!');
参数定义:
L 是各段的长度。EI 是各段的刚度。q 和 P 分别是分布荷载和集中荷载。初始假设:
弯矩计算:
绘图:
plot 函数绘制弯矩图。如果需要更精确的求解,可以结合矩阵方法处理超静定结构。例如:
以下是改进后的代码框架:
% 改进版:使用矩阵方法求解超静定结构
% 参数定义
L = [4, 6, 8];
EI = [1, 11, 1];
q = -5;
P = 10;
% 总长度
L_total = sum(L);
% 构造刚度矩阵 K 和荷载向量 F
K = zeros(length(L), length(L));
F = zeros(length(L), 1);
for i = 1:length(L)
K(i, i) = EI(i) / L(i);
end
% 假设中间支座反力为零
R = [0, 0];
% 计算弯矩
M = K \ (q * L.^2 / 8 + P * L / 4 + R .* L);
% 绘制弯矩图
figure;
x = [0, cumsum(L)];
plot(x, [0, cumsum(M)], '-o');
xlabel('位置 (m)');
ylabel('弯矩 (kNm)');
title('超静定结构弯矩图');
grid on;
% 显示结果
disp('弯矩图已绘制完成!');
以上代码提供了两种实现方式:
你可以根据具体问题调整荷载分布、刚度值和公式。