LM139比较器负反馈端可以通入负电压吗?
仿真如图所示:

比较器负反馈端会有-0.7V的稳压二极管压降,负压输入到比较器后,实际应用中可能会出现什么情况?
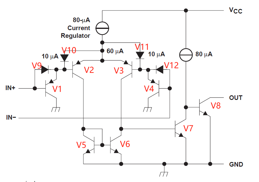
比较器内部结构:

能不能分析一下,负压给进来之后会有些什么现象,导致什么后果,十分感谢!
LM139比较器负反馈端可以通入负电压吗?
仿真如图所示:


阿里嘎多学长整理AIGC生成,因移动端显示问题导致当前答案未能完全显示,请使用PC端查看更加详细的解答过程
LM139比较器是一种常用的比较器芯片,它的负反馈端可以输入正电压,但不能输入负电压。LM139的负反馈端是通过一个PNP晶体管和一个稳压二极管实现的,这两个元件的工作电压范围都是正电压。
在你的仿真中,比较器负反馈端会有-0.7V的稳压二极管压降,这是因为稳压二极管的工作电压范围是正电压,而不是负电压。如果你将负压输入到比较器的负反馈端,可能会出现以下情况:
因此,在实际应用中,建议不要将负压输入到LM139比较器的负反馈端,以免影响比较器的工作稳定性和可靠性。