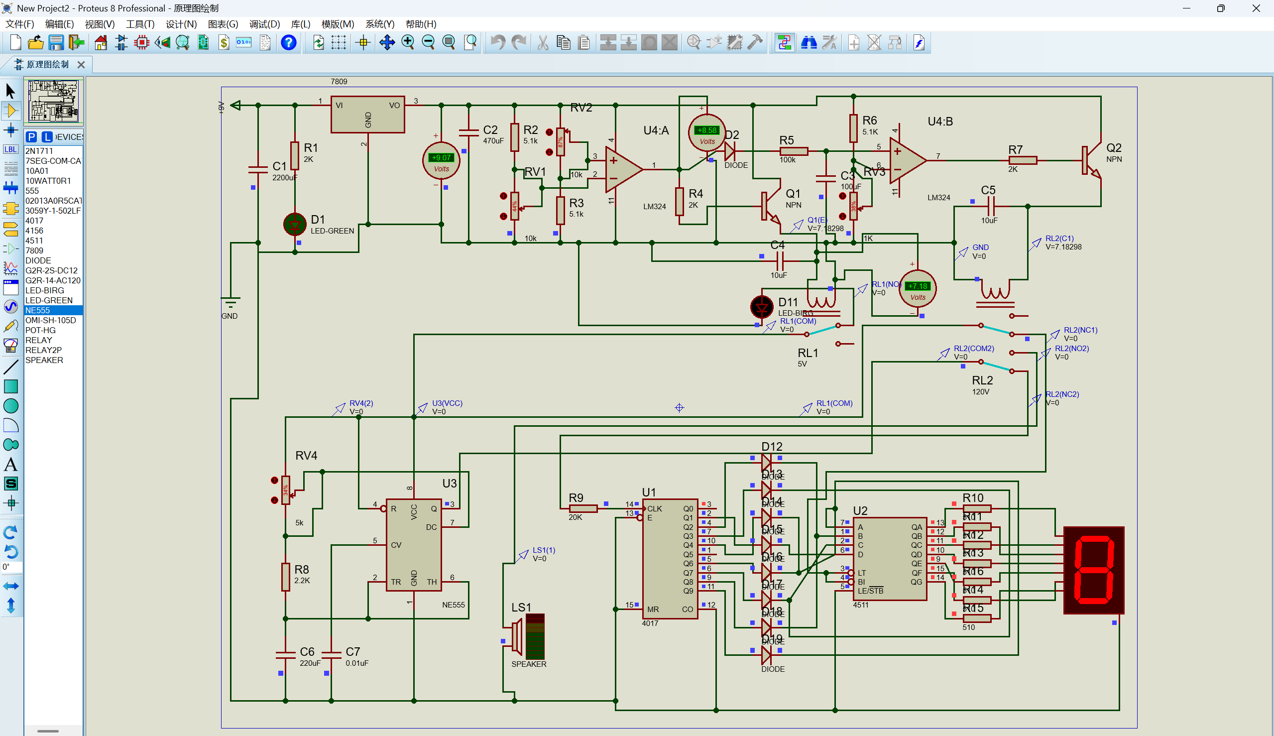
有没有会new 8 professional的能帮看一下这个图有啥问题

有没有会new 8 professional的能帮看一下这个图有啥问题

晚上好🌙🌙🌙
本答案参考通义千问
根据你的描述,你可能需要一位熟悉 new 8 professional(可能是某种开发工具或软件)的专家来帮助检查你的嵌入式电路设计是否有问题。为了更好地帮助你解决问题,以下是一些通用的步骤和建议:
明确问题描述:
检查电路设计:
使用工具分析:
new 8 professional),可以尝试使用其内置的仿真功能来验证电路。寻求专业帮助:
代码调试:
如果你能提供更多具体的信息,比如电路图或具体的错误信息,我可以给出更详细的建议。以下是假设你使用的是某种开发工具的示例代码检查流程:
检查初始化代码:
// 初始化GPIO引脚
void GPIO_Init(void) {
// 设置GPIO模式
GPIO_SetMode(GPIO_PORTA, GPIO_PIN0, GPIO_MODE_OUTPUT);
}
检查中断处理:
// 中断服务程序
void EXTI0_IRQHandler(void) {
if (EXTI_GetITStatus(EXTI_Line0) != RESET) {
// 处理中断事件
LED_Toggle();
EXTI_ClearITPendingBit(EXTI_Line0);
}
}
检查主循环:
int main(void) {
GPIO_Init();
while (1) {
// 主循环逻辑
delay_ms(1000);
LED_Toggle();
}
}
如果你能提供更具体的电路图或代码片段,我可以进一步帮助你分析问题所在。