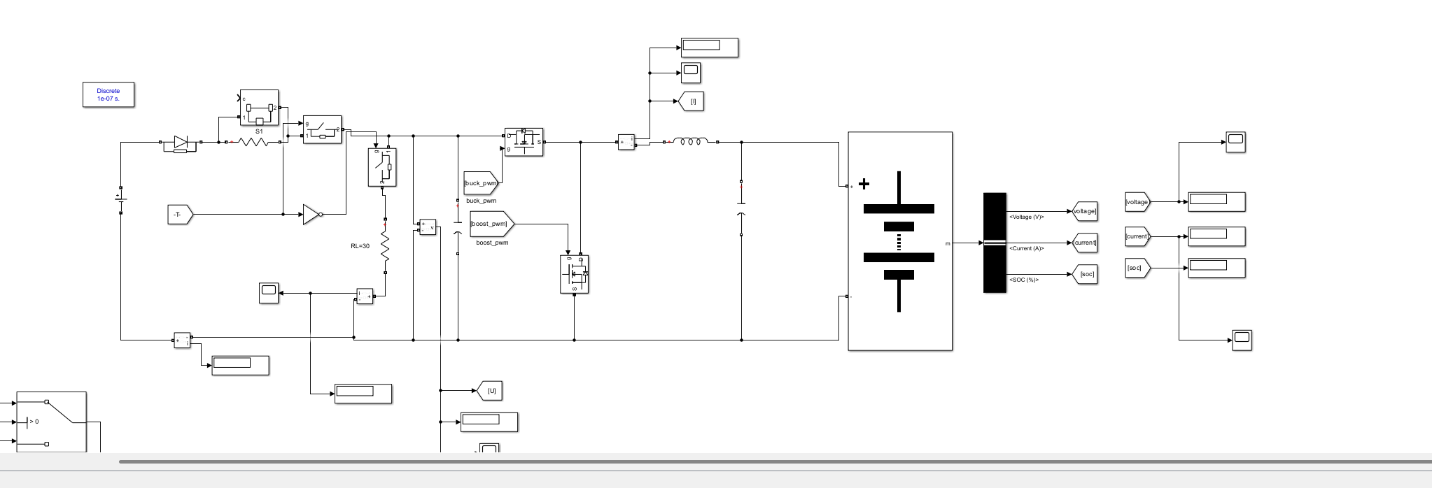
在MATLAB2024b中,搭建dcdc双向变换器时,显示电池模块无法并联电容,之前的版本似乎可以,按报错更改模型,仿真达不到要求,如何解决


在MATLAB2024b中,搭建dcdc双向变换器时,显示电池模块无法并联电容,之前的版本似乎可以,按报错更改模型,仿真达不到要求,如何解决


上午好☀️☀️☀️️
本答案参考通义千问
在MATLAB 2024b中,如果你在搭建DC-DC双向变换器时遇到“电池模块无法并联电容”的错误提示,这可能是由于以下几个原因导致的:
电池模块的接口限制:
在MATLAB/Simulink中,某些版本的电池模块(如 Battery 模块)默认不支持直接连接电容,尤其是当其作为电压源或电流源使用时。
模型配置问题:
MATLAB 2024b 可能对电池模块的端口类型进行了调整,导致你无法直接在其两端并联电容。
仿真设置问题:
如果你在仿真过程中没有正确配置求解器或时间步长,可能导致电池模块与电容之间的耦合出现问题。
Battery 模块,而不是其他类型的电池(如 Lithium-Ion Battery 或 Lead-Acid Battery)。如果电池模块不支持并联电容,请考虑更换为支持的电池模型。
Voltage Source 模块模拟电池Voltage Source 模块。Voltage Source 的电压值为你电池的标称电压。Voltage Source 的输出端并联一个 Capacitor 模块。这样可以绕过电池模块的限制,实现电容并联。
Ideal Voltage Source + Series ResistanceIdeal Voltage Source 模块作为电池的等效电压源。这种方法更接近真实电池行为,并且兼容性更好。
假设你原本的模型如下:
[DC Source] --> [Battery Module] --> [DC-DC Converter]
你可以将其修改为:
[DC Source] --> [Ideal Voltage Source] --> [Series Resistance] --> [DC-DC Converter]
|
v
[Capacitor]
注意:确保电容与电池等效电路并联,而不是串联。
Variable-step 求解器(如 ode15s)。Max Step Size 和 Relative Tolerance,以提高仿真精度。如果你有相关的 .slx 文件或代码片段,建议上传或粘贴出来,我可以帮助你进一步调试。
| 步骤 | 内容 |
|------|------|
| 1 | 确认电池模块是否支持并联电容 |
| 2 | 替换为 Voltage Source 或 Ideal Voltage Source 模块 |
| 3 | 修改模型结构,将电容并联到等效电压源上 |
| 4 | 检查并优化仿真设置 |
| 5 | 如有必要,提供代码或模型文件进行深入分析 |
% 示例:创建一个简单的电池+电容并联模型
% 假设使用 Ideal Voltage Source + Series Resistance + Capacitor
% 创建一个新的 Simulink 模型
model = 'Battery_Capacitor_Model';
new_system(model);
open_system(model);
% 添加模块
add_block('simulink/Sources/Voltage Source', [model '/Voltage Source']);
add_block('simulink/Simscape/Electrical/Elements/Resistor', [model '/Series Resistance']);
add_block('simulink/Simscape/Electrical/Elements/Capacitor', [model '/Capacitor']);
% 连接模块
add_line(model, 'Voltage Source/1', 'Series Resistance/1');
add_line(model, 'Series Resistance/2', 'Capacitor/1');
add_line(model, 'Voltage Source/1', 'Capacitor/2');
% 设置参数
set_param([model '/Voltage Source'], 'Voltage', '12'); % 12V 电池
set_param([model '/Series Resistance'], 'Resistance', '0.1'); % 内阻
set_param([model '/Capacitor'], 'Capacitance', '100e-6'); % 100uF 电容
% 保存模型
save_system(model);
在MATLAB 2024b中,“电池模块无法并联电容”的问题是由于模块本身的功能限制引起的。通过使用等效电压源模块代替原电池模块,并手动添加电容,可以有效解决这一问题。同时,确保仿真设置合理,有助于提高仿真的稳定性和准确性。
如需进一步帮助,请提供具体的模型截图或代码片段。