
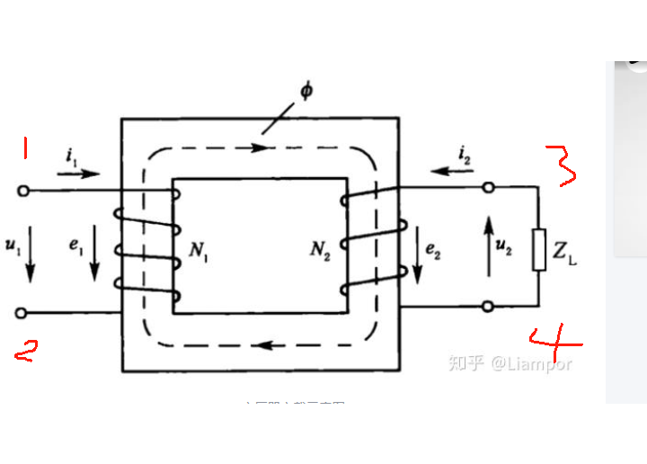
图示1.3脚是同明端吗?不是说当同名端对应输入电压的相位和输出电压的相位是相同的,即图示U1和U2 的电压是相同的为什么图示是相反的呢

图示1.3脚是同明端吗?不是说当同名端对应输入电压的相位和输出电压的相位是相同的,即图示U1和U2 的电压是相同的为什么图示是相反的呢
上午好☀️☀️☀️️
本答案参考通义千问
关于变压器的同名端判断,这是一个在硬件开发中非常重要的知识点,尤其是在设计电源电路、隔离电路、信号耦合等应用中。下面我将详细解释什么是同名端,以及如何判断它们,并针对你提到的图示进行分析。
同名端(Dot Convention) 是用来表示变压器两个绕组之间电压相位关系的一种符号。它通过在绕组的一端打一个“点”来标识,表示这两个点在输入和输出时具有相同的相位。
例如:
换句话说:同名端之间的电压相位相同。
注意:此方法适用于交流电源供电的情况。
如果知道变压器的结构(如绕线方向),可以通过以下方式判断:
你问:“图示1.3脚是同名端吗?不是说当同名端对应输入电压的相位和输出电压的相位是相同的,即图示U1和U2 的电压是相同的为什么图示是相反的呢”
同名端的定义:
可能的原因:
结论:
以下是判断变压器同名端的关键步骤:
如果你是在使用仿真软件(如Multisim、LTspice等)进行变压器建模,可以参考以下代码片段(以LTspice为例):
* Transformer with dot convention
V1 1 0 AC 10V
L1 1 2 1mH
L2 3 4 1mH
K1 L1 L2 0.95 ; 耦合系数
在LTspice中,可以通过在绕组旁边加一个“.”来表示同名端。例如:
L1 1 2 1mH
L2 3 4 1mH .dot
| 误区 | 正确理解 | |------|----------| | 同名端一定在同一个引脚上 | 不一定,同名端可能在不同的引脚上,取决于绕组方向 | | 所有变压器都有同名端标记 | 不是,有些变压器可能没有明确标注 | | 同名端电压一定相同 | 不是,电压大小由匝比决定,相位才相同 |
如果你能提供具体的图示或电路图,我可以进一步帮助你判断1号脚和3号脚是否为同名端。希望以上内容对你有所帮助!