Y1H3nzZ 2025-09-23 16:33 采纳率: 25%
浏览 9

simulink永磁同步电机霍尔theta代替额定角度

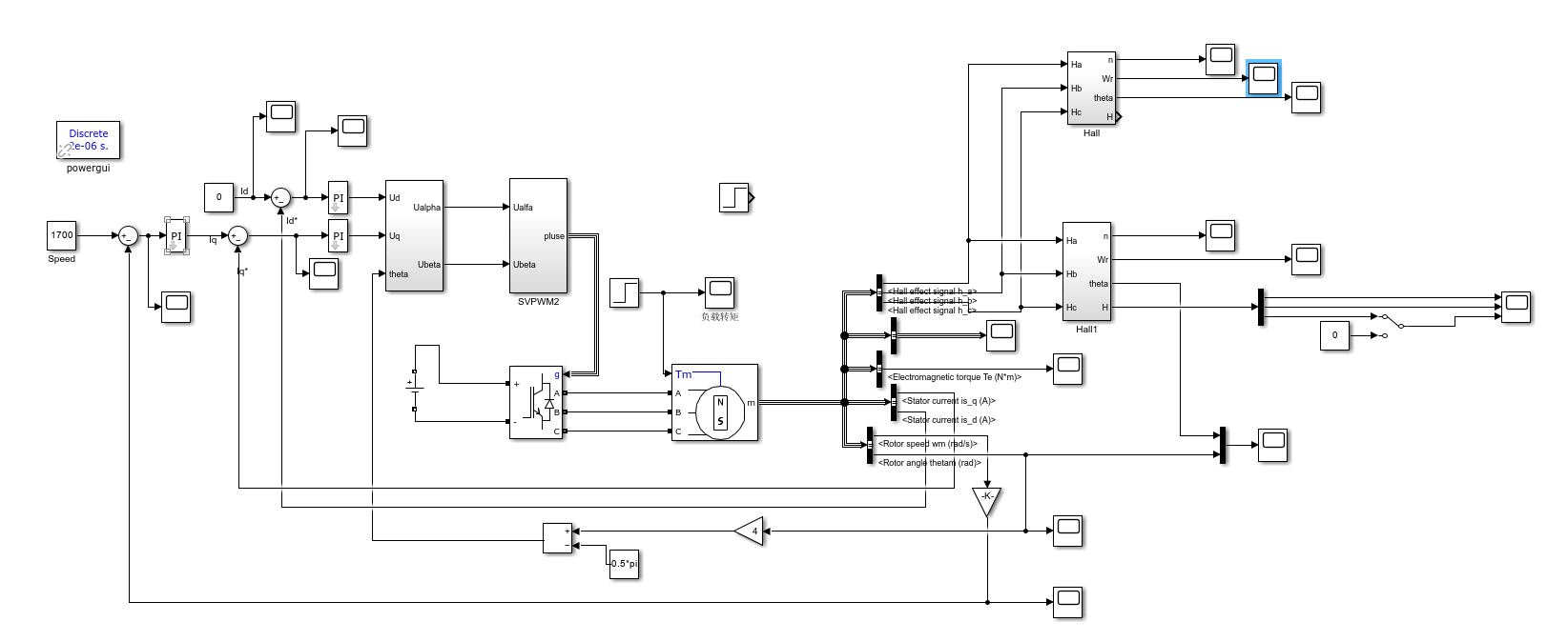
图中是我的永磁同步电机模型的仿真图,霍尔theta是 与额定转角的对比图(黄色为霍尔角度,蓝色为额定角度),三路霍尔信号图,正常运行后,三相电流波形如图所示,当我把theta输入从额定角度转变为霍尔输出的theta后,电流图如图,极其紊乱,求告诉我怎么把霍尔推算的角度转变为可以代替 额定角度的波形然后输入坐标变换,我想验证,使用霍尔推算角度对电机运行的影响,后续打算模拟一路霍尔失能对电机运行的影响以及,当一路霍尔信号失能,能否靠另外两路自动补平,如果不能,如何手动操作补平,需要什么信息或者参数,还请告之

img

img

img

img

img

img

  • 写回答

5条回答 默认 最新

  • 阿里嘎多学长 2025-09-23 16:57
    关注

    阿里嘎多学长整理AIGC生成,因移动端显示问题导致当前答案未能完全显示,请使用PC端查看更加详细的解答过程

    解决方案

    看起来你的问题是关于使用MATLAB Simulink模拟永磁同步电机的霍尔角度与额定角度的比较。

    问题分析

    1. 模型的仿真图显示了霍尔角度与额定角度之间的差异。
    2. 三路霍尔信号图显示了正常运行后的信号波形。
    3. 模型转变为使用霍尔角度(theta)作为输入,取代额定角度。

    解决方案

    1. 首先,您需要确保霍尔角度信号的计算是正确的。
    2. 确保霍尔角度与额定角度之间的差异是正常的。
    3. 在MATLAB Simulink中,您可以使用计算器块来计算霍尔角度与额定角度之间的差异。
    4. 您还需要检查是不是霍尔角度信号被正确地传递到模型的其它部分(例如PID控制器或其他算法)。

    核心代码

    % 在Simulink中添加计算器块
    % 确保霍尔角度与额定角度之间的差异是正常的
    theta_dif = H theta - ref_theta;
    
    % 如果使用霍尔角度,则取代额定角度
    if use_hall_theta
        theta = theta_hall;
    else
        theta = ref_theta;
    end
    

    建议

    1. 仔细检查您的模型图形和信号流来确保所有模块和信号是正确地连接和更新的。
    2. 验证您的霍尔角度计算是正确的。
    3. 如果需要,请调整模型参数来匹配您的实际电机特性。
    评论

报告相同问题?

问题事件

  • 创建了问题 9月23日