S32K144芯片,目的是使用FTM2输出4个PWM波,目标是频率达到20K,且分辨率在4000以上,我所有相关的设置如图所示。




按照以上设置,我期望会得到一个20K的输出波形,但是实际用示波器测量波形频率为10K。
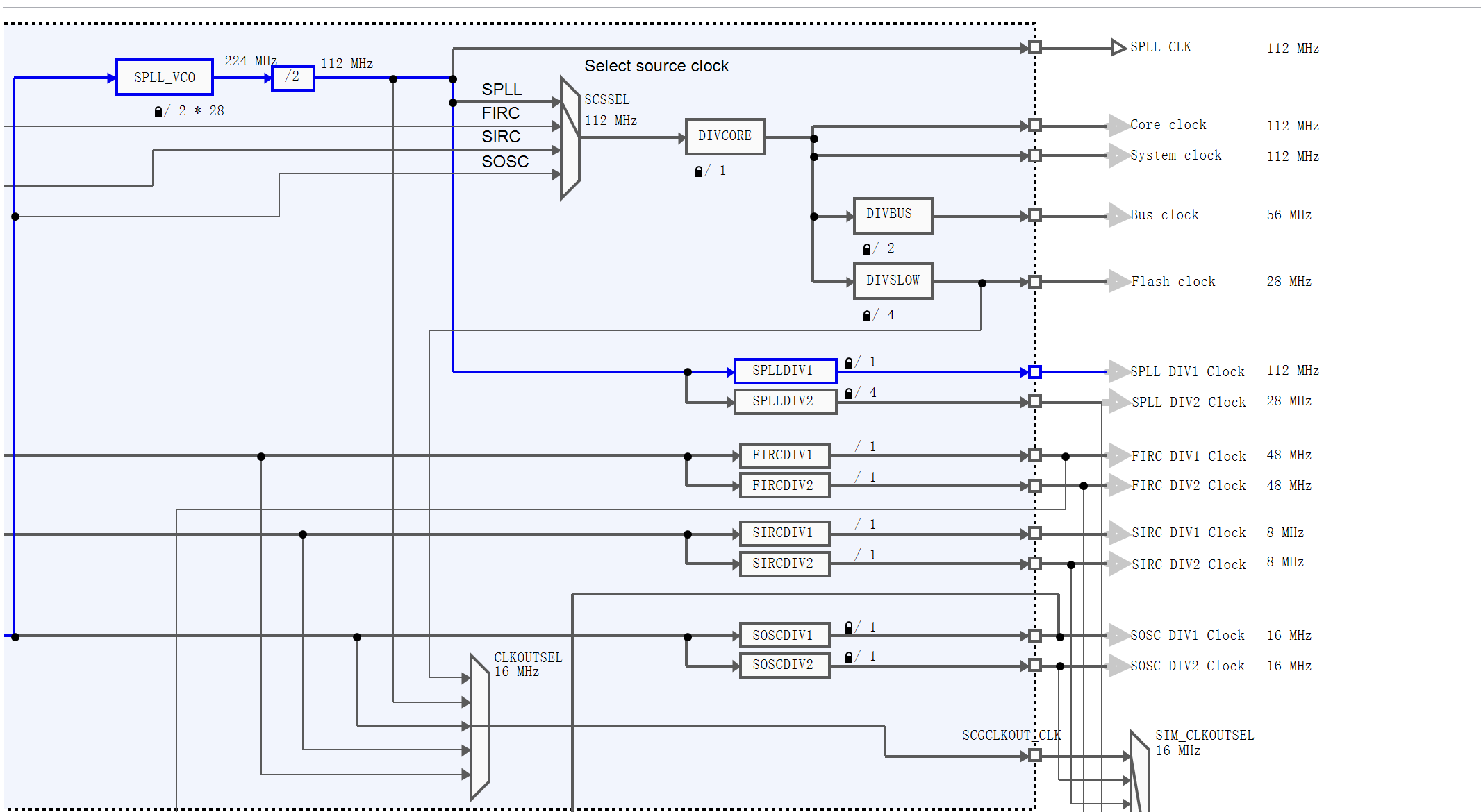
有问题的地方有几个,第一个是我选择的Timebase 0为System clock,但是实际测试中发现输出波形频率与这个时钟信号似乎没关系,而是与SPLL DIV1这个信号有关,也就是图中我选择的这个。
第二个问题是这个SPLL DIV1我明明选择的是分频1,输出的频率是112MHZ,但是最终体现出来的效果是一个56MHZ的信号,才导致输出波形频率为10K。我在网上搜索问题是发现了以下内容:

结合我实测的结果,似乎是在一个我没发现地方,对输入的时钟信号SPLL DIV1再做了一次2分频,我想要确认如果我输入的时钟确定为112M的话,那么PWM的时钟频率是否最大就为56M无法改变了?假设不改变SPLL CLOCK的情况下,我目标是频率达到20K,且分辨率在4000以上的目的是否还能实现?