
参数应该如何设计,不会啊,怎么这么难啊,matlab的通信原理,am的调制与解调
阿里嘎多学长整理AIGC生成,因移动端显示问题导致当前答案未能完全显示,请使用PC端查看更加详细的解答过程
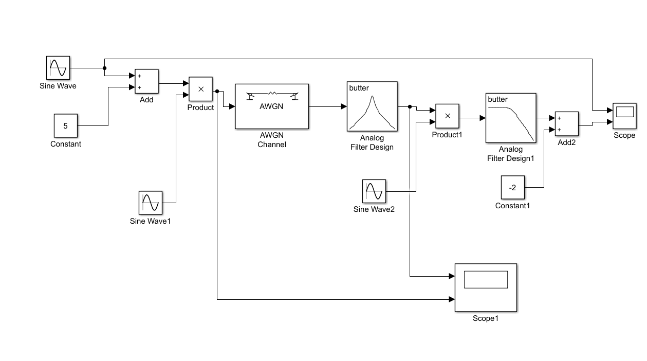
AM调制与检波问题解决方案
你遇到的问题是关于AM调制与检波的参数设计,特别是在MATLAB环境下。下面是一些解决方案和建议:
% AM调制
fc = 1000; % 载波频率
fm = 100; % 调制频率
k = 0.5; % 调制系数
t = 0:0.001:1; % 时间序列
x = cos(2*pi*fc*t); % 载波信号
m = cos(2*pi*fm*t); % 调制信号
y = k*m.*x; % AM调制信号
% AM检波
f = 1000; % 滤波器的截止频率
bw = 100; % 滤波器的带宽
[b, a] = butter(5, [f-bw f+bw]/(fc/2), 'stop'); % 设计滤波器
y_filtered = filter(b, a, y); % 滤波
以上是关于AM调制与检波的基本参数设计和MATLAB实现。希望这些信息能够帮助你解决问题。