m0_74970384 2025-11-13 17:29 采纳率: 0%
浏览 18

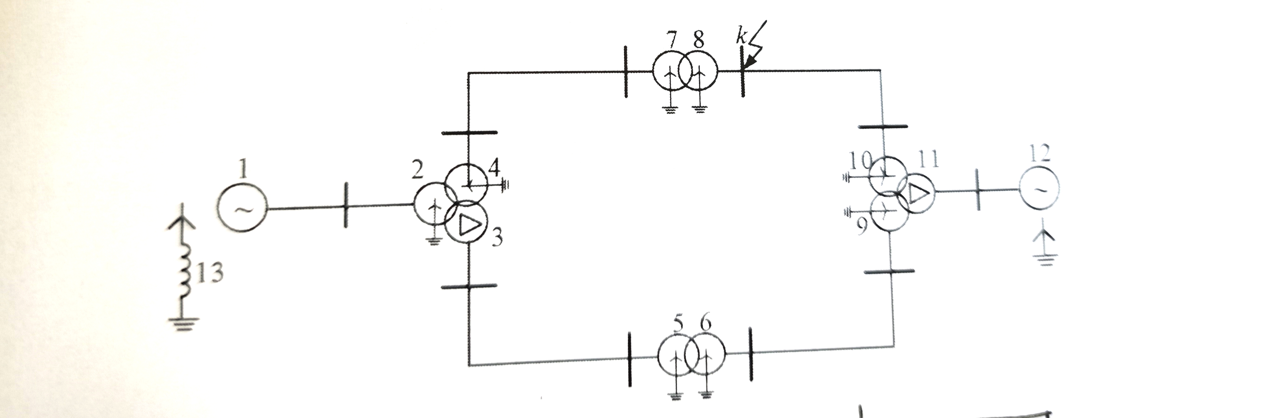
零序等值网络怎么画,help

img


k点那里短路的时候,零序等值网络怎么画,零序电流流过变压器5 6那里吗

  • 写回答

3条回答 默认 最新

  • 紫雾凌寒 新星创作者: 人工智能技术领域 2025-11-13 17:34
    关注

    让 “紫雾凌寒” 来帮你回答,本回答结合 DeepSeek

    如果还有问题,请评论或点击头像私信,如果有帮助到您, 请关注、采纳、点赞

    1. 关键点分析:
      - 要画出k点短路时的零序等值网络,需要明确电力系统中各元件(如线路、变压器等)对零序电流的影响。关键在于确定零序电流的流通路径以及各元件零序阻抗的计算和表示。
      - 对于变压器,需要考虑其绕组接线方式对零序电流流通的影响。不同绕组接线方式下,零序电流的流通情况不同。
    2. 解决方案:
      - 首先,明确零序等值网络的基本绘制原则。
      • 零序电流只能在接地的元件中流通。
      • 零序电流的流通路径要符合电力系统的实际接线情况。
      • 对于线路,零序阻抗一般为正序阻抗的3倍左右。
      • 对于变压器:
      • 若变压器绕组为YN,d11接线方式(常见的降压变压器接线方式),零序电流可以通过中性点直接接地的绕组流通,而不通过三角形绕组。
      • 若变压器绕组为YN,y0接线方式,零序电流可以通过两个中性点接地的绕组流通。
      • 以一个简单的电力系统为例(假设电源通过线路和变压器连接到短路点k):
      • 电源侧:如果电源中性点接地,在零序等值网络中表示为一个零序电源(电动势),其零序阻抗为电源的零序阻抗。
      • 线路:用零序阻抗表示线路,线路的零序阻抗为正序阻抗的3倍左右,线路的零序电流从电源侧流向短路点k。
      • 变压器:如果变压器绕组为YN,d11接线方式,且变压器中性点接地,零序电流可以通过中性点接地的绕组流通,而三角形绕组对零序电流相当于开路。
      • 短路点k:短路点k处零序电流流入短路点,短路点的零序阻抗一般认为很小(近似为零)。
      • 关于零序电流是否流过变压器5、6:
      • 如果变压器5、6的绕组接线方式使得中性点接地且满足零序电流流通条件,那么零序电流会流过。例如,若变压器5、6是YN,d11接线且中性点接地,零序电流可以通过中性点接地的绕组。
      • 如果变压器5、6的绕组接线方式不满足零序电流流通条件(如三角形绕组不接地),则零序电流不会流过。
      • 以下是一个简单的零序等值网络绘制示例代码(这里用Python的绘图库matplotlib简单示意,实际电力系统绘制可能更复杂):
    import matplotlib.pyplot as plt
    
    # 假设电源零序阻抗Zs,线路零序阻抗Zl,变压器零序阻抗Zt
    Zs = 0.1
    Zl = 0.3
    Zt = 0.2
    
    # 绘制零序等值网络
    plt.figure(figsize=(8, 4))
    plt.plot([0, 1], [0, 0], 'ro-', label='电源')
    plt.plot([1, 2], [0, 0], 'b-', label='线路', linewidth=2)
    plt.plot([2, '3'], [0, 0], 'g-', label='变压器', linewidth=2)
    plt.plot([3, 4], [0, 0], 'b-', label='线路', linewidth=2)
    plt.plot([4, 5], [0, 0], 'ro-', label='短路点k')
    plt.annotate('Zs', xy=(0.5, 0.1))
    plt.annotate('Zl', xy=(1.5, 0.1))
    plt.annotate('Zt', xy=(z2.5, 0.1))
    plt.annotate('Zl', xy=(3.5, 0.1))
    plt.xlabel('节点')
    plt.ylabel('零序阻抗')
    plt.title('零序等值网络')
    plt.legend()
    plt.grid(True)
    plt.show()
    
    1. 多种解决方案及优缺点:
      - 解析法:
      • 优点:可以精确计算零序电流、电压等参数,适用于对电力系统进行详细的理论分析。通过建立数学模型,利用基尔霍夫定律等进行求解。
      • 缺点:计算过程相对复杂,对于复杂电力系统可能需要较多的数学推导和计算。
      • 等值电路法:
      • 优点:直观易懂,通过绘制零序等值网络,可以清晰地看到零序电流的流通路径和各元件的影响。便于工程人员进行分析和理解电力系统的零序特性。
      • 缺点:对于非常复杂的电力系统,绘制和分析等值网络可能会比较繁琐,而且在实际应用中可能需要不断简化和近似。
    2. 总结:
      - 绘制零序等值网络关键在于明确电力系统中各元件的零序特性以及零序电流的流通路径。不同的变压器绕组接线方式对零序电流流通有重要影响。通过解析法可以精确计算相关参数,等值电路法能直观展示零序电流分布情况。在实际电力系统分析中,常结合两种方法来全面理解和解决零序相关问题。

    需要注意的是,实际电力系统的零序等值网络绘制要根据具体的系统接线和元件参数准确绘制,上述示例仅为简单示意。

    希望以上解答对您有所帮助。如果您有任何疑问,欢迎在评论区提出。

    评论

报告相同问题?

问题事件

  • 创建了问题 11月13日