
请问控制电路怎样实现,找遍全网都没找到,需要在psim上仿真
上午好☀️☀️☀️️
本答案参考通义千问
三相逆变桥可以使用单极倍频SPWM调制,但需要根据具体应用需求进行设计。下面我将详细解释如何实现,并提供控制电路的实现方式和PSIM仿真建议。
单极倍频SPWM(Sinusoidal Pulse Width Modulation) 是一种脉宽调制技术,其特点是:
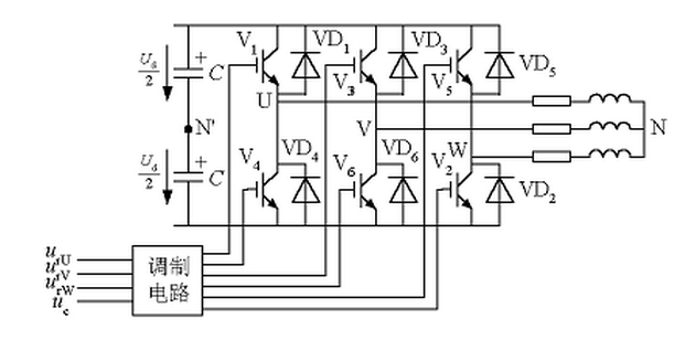
三相逆变桥由六个IGBT或MOSFET组成,通常采用双极性SPWM或单极性SPWM来控制。虽然传统上多用双极性,但单极性SPWM同样适用,尤其在某些高效率或低电磁干扰(EMI)要求的场合。
推荐使用 DSP(如TMS320F28335) 或 MCU(如STM32系列) 来实现SPWM控制。
// 假设使用STM32的TIM3作为PWM生成器
void PWM_Init(void)
{
// 初始化TIM3为PWM模式
TIM_TimeBaseInitTypeDef TIM_TimeBaseStructure;
TIM_OCInitTypeDef TIM_OCStructure;
RCC_APB1PeriphClockCmd(RCC_APB1Periph_TIM3, ENABLE);
TIM_TimeBaseStructure.TIM_Prescaler = 71; // 72MHz / (72) = 1MHz
TIM_TimeBaseStructure.TIM_Period = 999; // 1MHz / 1000 = 1kHz(基波频率)
TIM_TimeBaseStructure.TIM_CounterMode = TIM_CounterMode_Up;
TIM_TimeBaseStructure.TIM_ClockDivision = TIM_CKD_DIV1;
TIM_TimeBaseInit(TIM3, &TIM_TimeBaseStructure);
// 配置PWM通道1(A相上桥臂)
TIM_OCStructure.TIM_OCMode = TIM_OCMode_PWM1;
TIM_OCStructure.TIM_OutputState = TIM_OutputState_Enable;
TIM_OCStructure.TIM_Pulse = 0; // 初始占空比为0
TIM_OCStructure.TIM_OCPolarity = TIM_OCPolarity_High;
TIM_OC1Init(TIM3, &TIM_OCStructure);
TIM_OC1PreloadConfig(TIM3, TIM_OCPreload_Enable);
// 配置PWM通道2(A相下桥臂)
TIM_OCStructure.TIM_Channel = TIM_Channel_2;
TIM_OC2Init(TIM3, &TIM_OCStructure);
TIM_OC2PreloadConfig(TIM3, TIM_OCPreload_Enable);
// 启动TIM3
TIM_Cmd(TIM3, ENABLE);
}
注意: 上述代码仅为框架,实际中还需根据调制波生成逻辑(如正弦波查表)动态修改
TIM_OCStructure.TIM_Pulse的值。
如果你需要更详细的PSIM仿真文件或代码示例,我可以进一步提供。