汐648 2026-03-06 11:14 采纳率: 0%
浏览 6

在simulink仿真中遇到了矩阵接近奇异值或者缩放不良

在simulink仿真中遇到了矩阵接近奇异值或者缩放不良
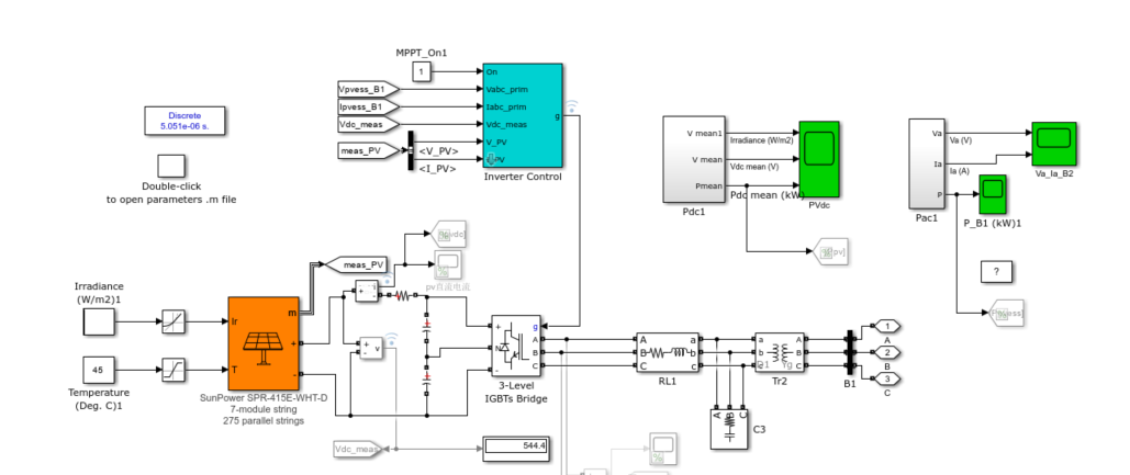
在做光伏并网中遇到了这个警告,光伏和电网分别运行都没有问题,但是并网就会存在问题,请问有可能是什么原因导致的呢
模型(官网找到的跟网型光伏,只修改了pv板的并网数量以及变压器的数值,其他大致没改)如下,在B1处并网

img

img

  • 写回答

2条回答 默认 最新

  • 檀越@新空间 2026-03-06 11:16
    关注

    上午好☀️☀️☀️️
    本答案参考通义千问

    在Simulink仿真中遇到“矩阵接近奇异值(Matrix is close to singular or badly scaled)”的警告,通常意味着系统模型中的某个部分存在数值不稳定或模型结构不合理的问题。结合你提到的场景——光伏并网时出现该问题,而单独运行没有问题,这说明问题很可能出在并网环节的建模或参数设置上


    一、可能原因分析

    1. 并网接口处的控制环路不稳定

    • 在并网过程中,光伏逆变器需要与电网进行功率匹配和电压频率同步
    • 如果控制环路设计不合理(如PI控制器增益过大或过小),会导致系统进入不稳定状态,从而引发数值计算上的不稳定性。

    2. 矩阵病态(Singular Matrix)的原因

    • 矩阵接近奇异值通常出现在求解微分方程时,如果系统矩阵(如雅可比矩阵)的条件数很大,说明系统对输入扰动非常敏感。
    • 在并网时,由于电网电压和电流的引入,系统动态变得更复杂,容易导致矩阵条件数变大。

    3. 参数缩放不良(Badly Scaled)

    • 在并网时,电网侧的电压、电流等参数可能与光伏侧的参数不在同一数量级,导致系统矩阵中出现不同量纲的变量混用,造成数值计算困难。

    4. 并网点处的阻抗匹配问题

    • 光伏系统与电网之间的阻抗匹配不良,可能导致系统在并网瞬间产生较大的瞬态冲击,进而影响数值稳定性。

    5. 模型中的非线性元件未正确处理

    • 如逆变器、变压器、滤波器等非线性元件在并网时可能引起系统非线性增强,导致仿真不稳定。

    二、解决方案建议

    以下是针对上述可能原因的详细解决步骤:

    1. 检查并网控制策略

    • 重点检查并网控制环路(如PQ控制、V/f控制等)
    • 确保PI控制器的增益合理,避免因增益过高导致系统振荡。
    • 可以尝试降低PI控制器的增益,观察是否能改善数值稳定性。

    代码示例(假设使用PID控制器):

    % 原始PI增益
    Kp = 0.5;
    Ki = 0.1;
    
    % 修改后的PI增益(降低)
    Kp = 0.3;
    Ki = 0.05;
    

    2. 调整模型参数的量纲一致性

    • 确保所有变量(如电压、电流、功率等)的单位一致,避免不同量纲的变量混用。
    • 可以在Simulink中使用Unit Conversion模块来统一单位。

    3. 优化并网点的阻抗匹配

    • 检查并网点处的变压器变比、线路阻抗是否合理。
    • 若并网点处的阻抗与电网不匹配,可尝试调整变压器变比或添加滤波器来改善阻抗匹配。

    4. 使用更稳定的仿真算法

    • 尝试更换Simulink的求解器类型,例如:
      • ode23t 改为 ode15sode23tb
      • 设置更小的步长(Step size)

    修改方法:

    • 打开模型配置参数(Model Configuration Parameters)
    • 在 Solver 标签页中选择 ode15s (stiff/NDF)ode23tb (stiff/TC),并设置适当的步长。

    5. 检查并网点处的初始条件

    • 并网时,若电网侧的电压相位与光伏侧不一致,可能引起瞬态冲击。
    • 可以在模型中加入相位同步模块,确保并网前电压相位一致。

    6. 检查模型中的非线性部分

    • 对于包含非线性元件(如逆变器、开关器件)的模型,确保它们的参数设置合理。
    • 可以尝试将某些非线性模块替换为理想化模型,看是否能改善稳定性。

    三、建议排查顺序

    1. 检查并网控制策略(优先级高)
    2. 调整仿真算法和步长(中优先级)
    3. 统一参数量纲(中优先级)
    4. 优化并网点阻抗匹配(中优先级)
    5. 检查非线性模块和初始条件(低优先级)

    四、总结

    重点总结:

    • 并网时出现矩阵接近奇异值的问题,通常是由控制环路不稳定、参数不一致或阻抗不匹配引起的。
    • 建议从并网控制策略、参数量纲、仿真算法等方面入手进行排查和优化。

    如果你可以提供具体的模型结构或相关模块截图,我可以进一步帮助你定位具体问题所在。

    评论

报告相同问题?

问题事件

  • 创建了问题 3月6日