2401_88449900 2026-03-15 16:56 采纳率: 75%
浏览 2
已结题

simulink孤岛保护

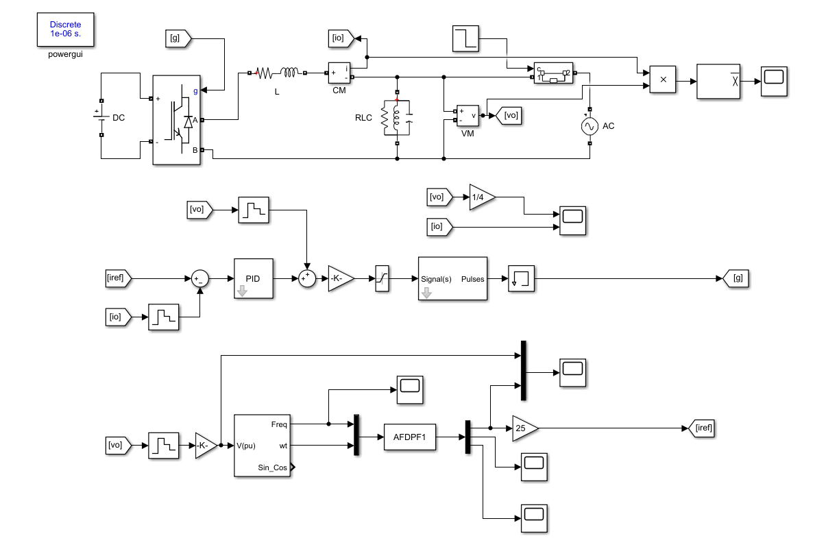
在改仿真电路中怎么能够实现逆变器输出的无功的检测,并且改变无功功率

img

  • 写回答

1条回答 默认 最新

  • 檀越@新空间 2026-03-15 16:57
    关注

    下午好🌅🌅🌅
    本答案参考通义千问

    Simulink 中实现 逆变器输出的无功功率检测与调节,是孤岛保护系统设计中的关键环节。这通常涉及以下几个步骤:


    一、问题分析

    要实现对逆变器输出的 无功功率(Q) 的检测和调节,需要以下几点:

    1. 电压与电流信号采集:获取逆变器输出端的电压和电流信号。
    2. 无功功率计算:通过电压和电流的相位差来计算无功功率。
    3. 控制策略设计:根据无功功率的变化调整逆变器的输出,例如通过改变参考电压或电流的相位角。
    4. 仿真模型搭建:在 Simulink 中构建包含这些功能的仿真模型。

    二、解决方案

    1. 采集电压和电流信号

    • 在 Simulink 中使用 Voltage SensorCurrent Sensor 模块,分别采集逆变器输出的 电压(V)电流(I)
    • 确保采样频率足够高,以保证精度。

    2. 无功功率计算

    无功功率公式为:

    $$ Q = V \cdot I \cdot \sin(\theta) $$

    其中:

    • $ V $ 是电压幅值;
    • $ I $ 是电流幅值;
    • $ \theta $ 是电压和电流之间的相位角。

    Simulink 实现方式:

    • 使用 Phase Angle Measurement 模块获取电压与电流的相位差。
    • 使用 Sine Function 计算 $ \sin(\theta) $。
    • Multiply 模块进行乘法运算,得到无功功率 Q。

    注意: 也可以使用 Power System Blockset 中的 Power Measurement 模块直接获取有功和无功功率。

    3. 无功功率调节

    • 常见的调节方法包括:
      • PI 控制器:根据无功功率偏差调整参考电压或电流的相位角。
      • V/Q 控制:将无功功率作为反馈量,调整逆变器输出的参考电压。

    Simulink 实现方式:

    • 使用 PID Controller 模块,输入为无功功率误差(目标值 - 实际值),输出为参考电压或电流的相位角。
    • 将该控制信号接入 PWM 生成模块Inverter Control 模块,实现无功功率调节。

    4. 仿真模型搭建

    • 构建一个包含以下模块的模型:
      • 逆变器(如 Voltage Source Inverter)
      • 负载(如 RL 负载或非线性负载)
      • 电压/电流传感器
      • 无功功率计算模块
      • PI 控制器
      • PWM 控制模块
      • 孤岛检测模块(如频率变化、电压变化等)

    三、代码示例(MATLAB/Simulink)

    1. 无功功率计算模块(MATLAB Function Block)

    function Q = calcReactivePower(V, I, theta)
    % V: 电压幅值
    % I: 电流幅值
    % theta: 相位角(弧度)
    Q = V * I * sin(theta);
    end
    

    2. PI 控制器设置(Simulink PID Controller Block)

    • 设置参数如下:
      • Kp: 0.5
      • Ki: 0.1
      • Kd: 0
      • Sample Time: 0.0001 (根据系统采样率设定)

    3. PWM 控制模块(使用 Pulse GeneratorPWM Generator 模块)

    • 根据控制器输出的参考相位角,生成相应的 PWM 信号,控制逆变器开关器件。

    四、总结

    以下是实现逆变器输出无功功率检测与调节的 关键步骤

    1. 采集电压和电流信号,用于后续计算。
    2. 计算无功功率,可使用 MATLAB Function 或 Power System Blockset。
    3. 设计控制策略,如 PI 控制器,根据无功功率偏差调整参考信号。
    4. 构建完整仿真模型,集成所有模块并验证性能。

    五、注意事项

    • 仿真中应考虑 采样率滤波器设计,避免噪声干扰。
    • 无功功率调节需与 有功功率控制 协调,防止系统不稳定。
    • 可结合 孤岛检测算法(如频率偏移、电压变化率等)提升系统安全性。

    如果你需要我提供具体的 Simulink 模型文件(.slx)MATLAB 代码片段,可以告诉我你使用的 Simulink 版本和相关模块名称,我可以进一步帮助你完善模型。

    本回答被题主选为最佳回答 , 对您是否有帮助呢?
    评论

报告相同问题?

问题事件

  • 系统已结题 3月30日
  • 已采纳回答 3月22日
  • 创建了问题 3月15日