讲解图片电路图中各个元器件的名称、作用、取值范围、工作状态 和通电后电路图整体工作流程及需要注意事项

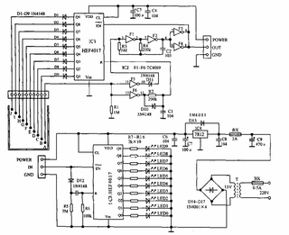
这个电路是液位显示器,基本工作原理:非门组成震荡器信号送2片十进制计数芯片脉冲输入端触发计数进行计数,IC1输出由二极管控制只有高电位才能经过液体通电送非门输入端使得非门输出低电平控制振荡器工作和把信号送给计数芯片进行计数,IC3输出信号则是点亮对应的LED作为10个液位的显示,从而显示10个液位,电路初始状态为2片计数芯片输出全零引脚高电平即IC3第0引脚点亮LED灯,振荡器工作,2芯片同步计数,遇到IC1没高电平输出则停止震荡和计数,从而完成液位检测和显示功能。
T是工频变压器为电路提供交流电压变换,D14-D17整流桥堆把交流电变为直流电经过电解电容器滤波以及IC4稳压输出稳定直流电共给数字芯片工作,R7-R16为LED0-LED9的限流电阻,D1-D9为输出端高电平才能通过液体导通产生控制信号,非门F1F2和电阻电容组成震荡电路,F5F6组成控制电路,元件取值电路图都有给出值了。
还有什么不明白地方可以追问。