关注
码龄
粉丝数
原力等级 --
被采纳
被点赞
采纳率
2301_76986154
2024-01-09 21:50
采纳率: 0%
浏览 26
首页
硬件开发
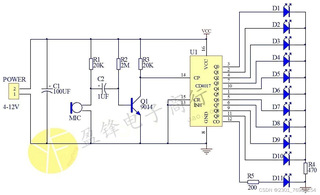
求解决一下我这个CD4017声控流水灯的问题
pcb工艺
单片机
51单片机
为什么我在立创里面仿真之后没有出现灯依次点亮的的现象 而是第一个灯不亮剩下的灯全亮啊
下面的是原理图
收起
写回答
好问题
0
提建议
关注问题
微信扫一扫
点击复制链接
分享
邀请回答
编辑
收藏
删除
结题
收藏
举报
1
条回答
默认
最新
关注
码龄
粉丝数
原力等级 --
被采纳
被点赞
采纳率
科创工作室li
优质创作者: 嵌入式与硬件开发技术领域
2024-01-10 07:48
关注
看一下元器件是不是正规系统的
本回答被题主选为最佳回答
, 对您是否有帮助呢?
本回答被专家选为最佳回答
, 对您是否有帮助呢?
本回答被题主和专家选为最佳回答
, 对您是否有帮助呢?
解决
无用
评论
打赏
微信扫一扫
点击复制链接
分享
举报
评论
按下Enter换行,Ctrl+Enter发表内容
查看更多回答(0条)
向“C知道”追问
报告相同问题?
提交
关注问题
流水灯
控制与
CD4017
计数器应用
2025-08-20 03:46
丶本心灬的博客
在数字世界中,
流水灯
是一种简单而有趣的显示设备,它通过依次点亮和熄灭一系列LED灯珠,形成类似流水般的效果。
流水灯
不仅在电子学习和教育方面被广泛使用,也是产品原型设计、节日装饰以及各种艺术展示中的重要...
纯硬件
流水灯
设计:555+4017实现汉字‘春’动态点亮
2026-03-15 00:58
带你玩遍北海道的博客
流水灯
是嵌入式电子与数字逻辑电路的经典入门实践,其本质是基于时序控制的LED循环驱动。原理上依赖振荡信号生成、计数译码与功率驱动三级结构,技术价值在于无需编程即可实现可靠视觉效果,大幅降低硬件验证门槛。...
电子基础元器件介绍
2024-06-18 13:56
艾尚电子学习的博客
通过NE555输出脉冲,实现
流水灯
效果!改变电容电阻值可以改变闪灯速度 随机数发生器 加红线,限制随机数的范围 数字密码锁电路 数码管计数电路 数码管点亮显示数字说明 也可以显示部分英文 公阴和公阳极数码管 引脚...
IC/FPGA一文练完
2022-07-06 15:12
捌肆幺幺的博客
触发器与锁存器的不同在于,它除了置1置0输人端以外,又加了一个触发信号输入,只有当触发信号到来时,触发器才能按照输人的置1、置0信号置成相应的状态,并保持下去,我们将这个触发信号称为时钟信号,记作CLK。...
【信息科学与工程学】【通信工程】第六篇03 5G/6G网络通信算法和公式01
2026-03-18 09:05
flyair_China的博客
描述存在一个稳定主径(如视距LOS)和多径散射叠加后信号包络的统计特性。是无线信道建模中莱斯衰落信道的核心。 24 光学 光学薄膜的传输矩阵法 对于单层膜:M = [cosδ, (i sinδ)/η; i η sinδ, cosδ] δ...
从
声控
小夜灯到互动玩具:用AC696X的MIC能量检测玩转硬件互动(基于SDK V1.5.0)
2008-10-28 13:22
1361976860的博客
本文详细介绍了如何利用杰理AC696X芯片的MIC能量检测功能,从
声控
小夜灯到互动玩具实现智能硬件互动。基于SDK V1.5.0,通过实战案例解析音频信号处理、能量检测算法及低功耗优化技巧,帮助开发者快速掌握AC696X在...
【转】电子毕业设计题目
2010-06-03 22:24
yinjunli的博客
177.生产流水线产品产量统计显示系统 178.水位报警显时控制系统的设计 179.红外遥控电子密码锁的设计 180.基于MCU温控智能风扇控制系统的设计 181.数字电容测量仪的设计 182.基于单片机的遥控器的设计 183.200...
没有解决我的问题,
去提问
向专家提问
向AI提问
付费问答(悬赏)服务下线公告
◇ 用户帮助中心
◇ 新手如何提问
◇ 奖惩公告
问题事件
关注
码龄
粉丝数
原力等级 --
被采纳
被点赞
采纳率
创建了问题
1月9日