关注
码龄
粉丝数
原力等级 --
被采纳
被点赞
采纳率
weixin_70772060
2024-03-20 12:17
采纳率: 0%
浏览 5
首页
嵌入式
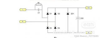
电路分析,第一次碰见这种电路
51单片机
分析一下电路图,第一次碰见这种电路,只认识电路元件,不太清楚电路的原理和作用。
收起
写回答
好问题
0
提建议
关注问题
微信扫一扫
点击复制链接
分享
邀请回答
编辑
收藏
删除
结题
收藏
举报
4
条回答
默认
最新
关注
码龄
粉丝数
原力等级 --
被采纳
被点赞
采纳率
XT_666
2024-03-20 13:20
关注
整流
本回答被题主选为最佳回答
, 对您是否有帮助呢?
本回答被专家选为最佳回答
, 对您是否有帮助呢?
本回答被题主和专家选为最佳回答
, 对您是否有帮助呢?
解决
1
无用
评论
打赏
微信扫一扫
点击复制链接
分享
举报
评论
按下Enter换行,Ctrl+Enter发表内容
查看更多回答(3条)
向“C知道”追问
报告相同问题?
提交
关注问题
嵌入式
工程师成长之路(2)——
电路
设计
2021-01-26 17:29
【云轩】的博客
点击下面图片带您领略全新的
嵌入式
学习路线 爆款热榜 90万+阅读 1.6万+收藏 文章目录 前言
电路
设计三部曲 1、
电路
设计第一步——先看 ①、看芯片datasheet ②、看开发板原理图 ③、看教学视频 ④、看中外书籍 2、...
嵌入式
C语言面试题库
2020-10-03 23:13
看你的风的博客
嵌入式
开发—C语言面试题 用预处理指令#define 声明一个常数,用以表明1年中有多少秒(忽略闰年问题) #define SECONDS_PER_YEAR (60 * 60 * 24 * 365)UL 我在这想看到几件事情: 1). #define 语法的基本知识...
电工基础【1】直流电、交流电、变压器,看懂基本
电路
2025-05-30 15:28
keke10的博客
常闭的话,只要我们这个一过载的话,它就常闭就变成常开,常开就变成常闭,就
这种
意思,它起个保护作用,在我们电机有问题的时候,它就会动作,一动作的话,你开就变成闭,闭就变成开。经过这个 3P 开关之后,再经过...
FPGA开发流程(详述每一环节的物理含义和实现目标)
2019-10-29 20:18
过多久才懂的博客
当下一次设计的时候,发现这些组装好的具有一定功能的模块确实挺好用的,于是越来越多的
这种
具有一定功能的模块被提取出来,甚至工程师之间用来交换,慢慢大家注意到它的知识产权,于是一种叫做IP知识产权的东西出来...
嵌入式
开发—C语言面试题
2012-03-15 22:28
xdx2ct1314的博客
嵌入式
开发—C语言面试题 1. 用预处理指令#define 声明一个常数,用以表明1年中有多少秒(忽略闰年问题) #define SECONDS_PER_YEAR (60 * 60 * 24 * 365)UL 我在这想看到几件事情: 1). #define 语法...
嵌入式
C/C++语言精华文章集锦
2017-09-07 16:39
king110108的博客
个成员按照它们被声明的顺序在内存中顺序存储,第一个成员的地址和整个结构的地址相同。 自然对界(natural alignment)即默认对齐方式,是指按结构体的成员中 size 最大的成员对齐。 例如: struct ...
哈工大毕设记录-使用ZYNQ MPSoC开发板实现的Linux环境千兆以太网C语言UDP协议批量文件存取(上)
2023-06-13 01:17
快乐的小须鲸的博客
工作总结:使用米联客Zynq UltraScale+ MPSoC MZU07A-EV开发板,利用赛灵思官方petalinux2019.2移植
嵌入式
系统并部署至SD卡,采用千兆以太网UDP/IP协议传输文件数据,编写Linux环境的C语言客户端与服务端代码,实现...
嵌入式
C/C++语言精华文章集锦
2012-07-08 22:55
苏嵌蔡滔滔的博客
嵌入式
C/C++语言精华文章集锦 C/C+语言struct 深层探索............................................................................2 C++中extern "C"含义深层探索.............................................
STM32F407(野火霸天虎v2)学习理解记录(持续更新)
2023-09-01 10:17
嵌入式里的泥头车的博客
首先说明寄存器不是RAM,虽然都有着掉电丢失的特性,但是寄存器是寄存器,属于中央控制器(cpu)的组成部分,...这是方法一,比较透彻,直接编辑了引脚的电平状态,但这样不好多次操作,可以采用将寄存器取别名的方法。
吴峰光杀进 Linux 内核
2022-11-02 10:56
《新程序员》编辑部的博客
这不是吴峰光的代码
第一次
合进 Linux 内核,也不是吴峰光经历的
第一次
“好事多磨”。 吴峰光和 Linux 之父 Linus Torvalds 时间再倒回 2005 年,合肥,中国科学技术大学(以下简称中科大),28 岁的吴峰光正在读...
FPGA开发流程:详述每一环节的物理含义和实现目标
2018-09-07 15:40
梦回老特拉福德的博客
要知道,要把一件事情做好,不管是做哪们技术还是办什么手续,明白这个事情的流程非常关键,它决定了这件事情的顺利进行与否。同样,我们学习FPGA开发数字系统这个技术,先撇开使用这个技术的基础编程语言的具体语法...
题解 | #识别有效的IP地址和掩码并进行分类统计#
2024-06-08 05:05
han_xue_feng的博客
目前大三,在一个小厂暑期实习,没有经过面试就直接进来了,待遇很一般,本来想在实习的过程中学习点东西,双非硕,秋招一直搞那个破小论文,春招也投的晚,34月才开始投,投了很多,面试比较少,唯一的一个off。...
没有解决我的问题,
去提问
向专家提问
向AI提问
付费问答(悬赏)服务下线公告
◇ 用户帮助中心
◇ 新手如何提问
◇ 奖惩公告
问题事件
关注
码龄
粉丝数
原力等级 --
被采纳
被点赞
采纳率
创建了问题
3月20日