
为什接的圈出来的电路在面包板上接线无法晶振并且只能显示0—3无法显示0—9啊
关注引自免费微信小程序:皆我百晓生
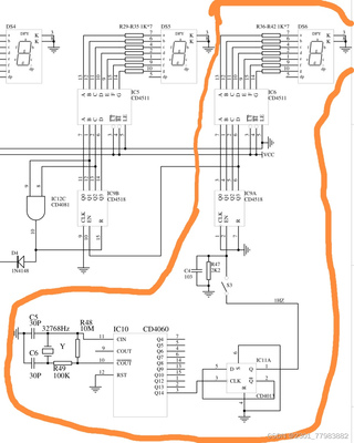
看起来你正在尝试构建一个基于CD4511的数字电子时钟,并且遇到了一些问题。首先,让我们分析一下你的电路图。
从你的描述来看,你似乎遇到的问题是无法正确驱动CD4511译码器来显示0到9的所有数字。这里有几个可能的原因:
针对这些问题,我建议你按照以下步骤排查:
步骤1: 检查电源 确保Vcc(+5V)对所有集成电路供电良好。使用万用表测量Vcc与GND之间的电压,应该稳定在5V左右。
步骤2: 确保晶振工作 检查晶体振荡器(R48)与CD4060(IC10)的连接,确保它连接到了IC10的第1脚(CIN)。然后,检查振荡器输出(IC10的第9脚(COUT))是否有频率为32768 Hz的方波。如果没有,检查线路连接和晶体振荡器本身。
步骤3: 检查时钟信号 确认CD4013(Q12, Q13)产生的时钟信号是否到达CD4511。可以通过测量Q13输出的脉冲宽度和频率来确认。这个信号应该足够稳定并同步于CD4060的输出。
步骤4: 核实地址线 确保地址线ABCD(连接到CD4511的A、B、C、D引脚)正确设置。如果你的电路设计用于显示两位数,那么你需要根据你要显示的数字来设置这些线。例如,要显示"1",地址线应设置为"A=1, B=0, C=0, D=0"。
步骤5: 检查数据线 确保数据线D4(连接到CD4511的D引脚)上的数字信号正确。你应该通过编程或手动控制来改变这个信号,观察CD4511的输出变化。
步骤6: 考虑干扰 确保没有其他可能的电磁干扰影响到电路的运行。尝试将敏感元件远离电源线或其他可能导致干扰的设备。
如果以上步骤都无法解决你的问题,那么可能需要查看每个集成电路的数据手册以确认其功能和操作条件,或者考虑重新检查整个电路的设计。
如果你需要进一步的帮助,比如具体如何设置地址线和数据线的值,或者有其他疑问,请随时告诉我。