关注
码龄
粉丝数
原力等级 --
被采纳
被点赞
采纳率
复奚夷
2025-03-07 18:37
采纳率: 66.7%
浏览 7
首页
硬件开发
已结题
栅压自举电路怎么分析
硬件工程
dsp开发
硬件架构
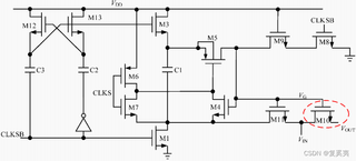
电路结构如图。请问M12、M13、C2、C3的作用是什么呢?
收起
写回答
好问题
0
提建议
关注问题
微信扫一扫
点击复制链接
分享
邀请回答
编辑
收藏
删除
收藏
举报
5
条回答
默认
最新
关注
码龄
粉丝数
原力等级 --
被采纳
被点赞
采纳率
老皮芽子
2025-03-08 11:08
关注
本回答被题主选为最佳回答
, 对您是否有帮助呢?
本回答被专家选为最佳回答
, 对您是否有帮助呢?
本回答被题主和专家选为最佳回答
, 对您是否有帮助呢?
解决
无用
评论
打赏
微信扫一扫
点击复制链接
分享
举报
评论
按下Enter换行,Ctrl+Enter发表内容
查看更多回答(4条)
向“C知道”追问
报告相同问题?
提交
关注问题
【
硬件开发
】
自举电路
2024-06-18 19:13
河狸江流儿的博客
1,所有自举元件都位于栅极驱动器 IC 附近,可更大限度 地减小寄生电感的影响并减小
自举电路
的高峰值电流路径。栅极电压实现这个抬升的方法:使用电容两侧电压不能突变的特性,这个电容就是自举电容(也就是图中的C1...
基于smic40nm工艺,SAR ADC ,逐次逼近型 10bit,50MHZ,适合新手入门学习使用,有配套的教程 基于smic40nm工艺,采样时钟异步,含有冗余设计,电路包括但不限于
栅压
自举开关
2024-12-21 16:20
电路的关键组成部分包括
栅压
自举开关,这是提高开关速度和信号完整性的关键结构。同时,CDAC(电容数字转换器)和比较器是SAR ADC的重要单元,它们协同工作以实现逐次逼近过程。SAR逻辑电路则负责控制整个逐次逼近的...
MOS管
自举电路
工作原理以及升压
自举电路
结构图
分析
2021-12-17 15:17
KIA半导体的博客
MOS管
自举电路
原理以及MOS管自举电容工作原理的介绍 MOS管
自举电路
介绍
自举电路
也叫升压电路,是利用自举升压二极管,自举升压电容等电子元件,使电容放电电压和电源电压叠加,从而使电压升高,有的电路升高的电压...
开发技术-硬件-65nmNORMLC快闪存储器的省略耗高压电路设计和快速编程算法研究.zip
2022-04-09 19:03
标题中的“65nm NORMLC 快闪存储器的省略耗高压电路设计和快速编程算法研究”涉及了半导体存储技术的两个关键领域:电路设计和编程算法。在这个领域,65纳米(nm)是制造工艺的一个节点,指的是芯片上特征尺寸的大小...
集成电路开发-存储器测试.pptx
2024-01-03 09:56
集成电路开发与存储器测试EEPROM工作原理和应用 在集成电路开发中,存储器测试是非常重要的一部分。EEPROM(Electrically Erasable Programmable Read Only Memory)是一种非易失存储器,能够在计算机或专用设备上...
硬件电路板开发全流程
2025-09-28 23:47
✎ ﹏梦醒͜ღ҉繁华落℘的博客
硬件开发
电路板是一个“需求→设计→验证→量产”的闭环流程,每个阶段都需严格把控细节(如芯片选型、PCB布线、测试覆盖),尤其是需求
分析
和原型测试,直接决定项目成败。同时,硬件工程师需具备跨领域知识(电气...
系统的硬件验证/单元电路的调试
2021-01-19 23:00
FPGA/CPLD数据采集电路的调试:使用MAX+plus Ⅱ 10.0、计算机、GW48-CK EDA实验开发系统等软件和设备,对FPGA/CPLD坝刂控电路进行VHDL程序的调试、有关仿真以及编程,硬件测试等。 单片机数据处理控制程序的...
开发技术-硬件-晶体硅微粉的氧化性.zip
2022-04-10 21:55
在
硬件开发
中,氧化层的形成是芯片制造中的关键步骤,它为电路提供保护,防止杂质污染,并在晶体管和其他电子元件中起到隔离和电荷控制的作用。 首先,我们来了解晶体硅的性质。硅是元素周期表上的第十四号元素,...
1华为2024届校招
硬件开发
+硬件设计(第一套)
2024-04-15 23:16
### 华为2024届校招
硬件开发
与设计工程师知识点解析 #### 一、电容选择在RC定时电路中的应用 ...以上知识点涵盖了从基础电子元件的选择到复杂电路设计的各个方面,为理解
硬件开发
与设计提供了全面的视角。
中国PCB印刷电路板市场
分析
.pdf
2021-07-25 09:28
- 对于
硬件开发
者和电子元件研究者,了解PCB市场
分析
能够提供重要的行业洞察。 - 参考文献可能包括市场研究报告、技术
分析
文章、行业白皮书等。 由于提供的部分内容不能使用,未涉及具体的数据和
分析
细节,以上...
没有解决我的问题,
去提问
向专家提问
向AI提问
付费问答(悬赏)服务下线公告
◇ 用户帮助中心
◇ 新手如何提问
◇ 奖惩公告
问题事件
关注
码龄
粉丝数
原力等级 --
被采纳
被点赞
采纳率
系统已结题
3月22日
关注
码龄
粉丝数
原力等级 --
被采纳
被点赞
采纳率
已采纳回答
3月14日
关注
码龄
粉丝数
原力等级 --
被采纳
被点赞
采纳率
创建了问题
3月7日