
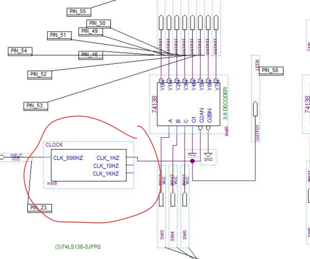
上面图片是quartus软件的原理图,里面的划圈的clk在哪里找
阿里嘎多学长整理AIGC生成,因移动端显示问题导致当前答案未能完全显示,请使用PC端查看更加详细的解答过程
Quartus 是 Altera 的 FPGA 设计软件,用于设计和实现 FPGA 设计。 CLK(Clock)是 FPGA 设计中非常重要的信号,它用于控制 FPGA 的时钟频率和同步。
在 Quartus 中,CLK 信号可以在多个地方找到:
在图片中,您可以看到 CLK 信号被划圈了,这可能是指 CLK 信号的源头或 CLK 信号的使用点。在 Clock Editor 或 Assignment Editor 中,您可以找到 CLK 信号,并对其进行编辑和管理。
如果您需要更多帮助,请提供更多的信息或图片。