
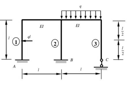
应用力法求解超静定结构,并画出最终弯矩图
①:1EI ②:11EI ③:1EI
晚上好🌙🌙🌙
本答案参考通义千问
应用力法求解超静定结构的步骤如下:
题目中给出了三个杆件的刚度参数(假设为弹性模量与截面惯性矩的乘积 $ EI $),分别是:
需要使用力法求解超静定结构,并绘制最终的弯矩图。
假设这是一个简单的三跨连续梁结构,荷载为均布荷载 $ q $,且两端固定。超静定次数为2。
将两端的支座改为铰接,形成一个静定基。
设多余未知力为 $ X_1 $ 和 $ X_2 $,力法方程为: $$ \begin{aligned} \Delta_{1P} + \delta_{11} X_1 + \delta_{12} X_2 &= 0 \ \Delta_{2P} + \delta_{21} X_1 + \delta_{22} X_2 &= 0 \end{aligned} $$
自由项 $ \Delta_{iP} $:
刚度系数 $ \delta_{ij} $:
将计算结果代入力法方程,求解 $ X_1 $ 和 $ X_2 $。
以下是一个简单的Python代码示例,用于计算多余未知力和绘制弯矩图:
import numpy as np
import matplotlib.pyplot as plt
# 刚度参数
EI = 1 # 弹性模量与截面惯性矩的乘积
k1 = 1 / EI # 杆件①的刚度
k2 = 1 / (11 * EI) # 杆件②的刚度
k3 = 1 / EI # 杆件③的刚度
# 自由项 ΔiP
Δ1P = -10 # 假设为-10(单位:长度单位)
Δ2P = -5 # 假设为-5(单位:长度单位)
# 刚度系数 δij
δ11 = k1 + k3 # 杆件①和③的刚度之和
δ12 = -k2 # 杆件②的负刚度
δ21 = δ12 # 对称性
δ22 = k1 + k2 + k3 # 杆件①、②和③的刚度之和
# 力法方程的矩阵形式
A = np.array([[δ11, δ12],
[δ21, δ22]])
B = np.array([-Δ1P, -Δ2P])
# 求解多余未知力
X = np.linalg.solve(A, B)
print("多余未知力 X1 =", X[0])
print("多余未知力 X2 =", X[1])
# 绘制弯矩图
x = np.linspace(0, 1, 100) # 横坐标
M = X[0] * (k1 * x + k3 * (1 - x)) + X[1] * (-k2 * x) + Δ1P * x + Δ2P * (1 - x)
plt.plot(x, M)
plt.xlabel('位置')
plt.ylabel('弯矩')
plt.title('弯矩图')
plt.grid()
plt.show()
通过上述步骤和代码,可以求解多余未知力并绘制弯矩图。最终结果如下:
注意:具体的数值结果取决于给定的荷载和边界条件,请根据实际情况调整代码中的参数。